Запчасти Case 686G (4-06) - BATTERY AND HORN (04) - ELECTRICAL SYSTEMS

Схема запчастей Case 686G - (4-06) - BATTERY AND HORN (04) - ELECTRICAL SYSTEMS
3a
11
10
2
7
4
12
5
15
8
4
8
6
13
14
16
3
5
1
9
4
5
6
1
2a
7
9
FIT
1:1
100%

Артикул

Название

Примечание

Количество

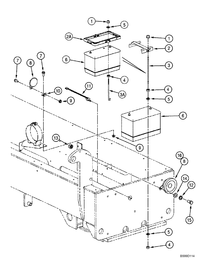
1

829-1408

NUT,Hex, M8 x 1.25, Cl 10.9

2шт.

2

318033A1

BRACKET

1шт.

For 686G and 686GXR

1шт.

2a

366294A1

BRACKET

1шт.

All Series 2 Models

1шт.

3

316983A1

ROD

2шт.

For 686G and 686GXR

1шт.

3a

366295A1

ROD

2шт.

For Series 2 686G or 688G

1шт.

3a

366296A1

ROD

2шт.

For Series 2 686GXR

1шт.

4

829-1408

NUT,Hex, M8 x 1.25, Cl 10.9

4шт.

5

895-11008

WASHER,9mm ID x 16mm OD x 1.6mm Thk

4шт.

6

BMF31ES

BATTERY, DRY

BATTERY DRY 12 volt

1шт.

7

905-6016

BOLT,M6 x 16mm

M6 x 16

2шт.

8

357486A1

HORN

Electric

1шт.

Replaces 316984A1

1шт.

9

825-5146

SERRATED NUT,M6, Flg Ser

2шт.

10

317421A1

BRACKET

1шт.

11

317097A1

SWITCH

Balancer

1шт.

Works With Counterweight, Front Ballast

1шт.

12

492-21038

LOCK WASHER,3/8"

3/8"

2шт.

If Used

1шт.

13

425-106

NUT,3/8"-16, Cl 5

1шт.

If Used

1шт.

14

495-11041

WASHER,0.406" ID x 0.812" OD x 0.065" W

(13/32 x 13/16 x 1/16")

2шт.

If Used

1шт.

15

426-612

BOLT,Hex, 3/8" - 16 x 3/4", Gr 8

1шт.

If Used

1шт.

16

363017A1

HARNESS

Horn

1шт.

Выбрано товаров: 30