Запчасти Case 686G (4-16) - STOP AND TURN SIGNAL LAMP (04) - ELECTRICAL SYSTEMS

Схема запчастей Case 686G - (4-16) - STOP AND TURN SIGNAL LAMP (04) - ELECTRICAL SYSTEMS
5
3
9
13
7
6
4
14
10
8
11
12
1
6
15
FIT
1:1
100%

Артикул

Название

Примечание

Количество

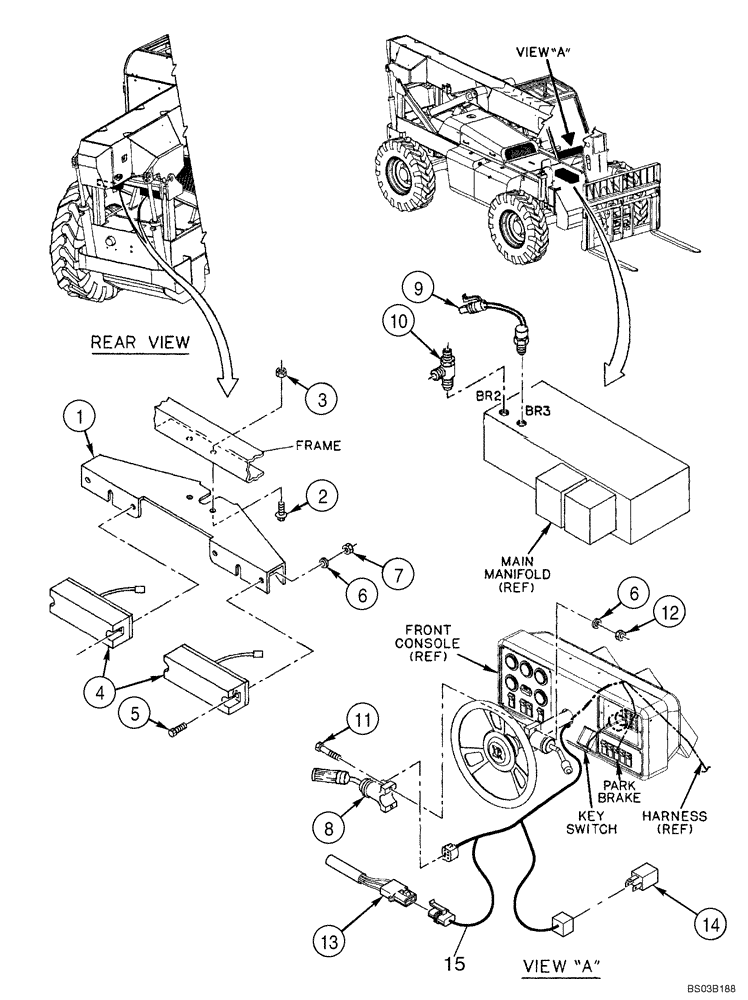
1

338044A1

BRACKET

1шт.

2

905-6016

BOLT,M6 x 16mm

M6 x 16

2шт.

3

825-5146

SERRATED NUT,M6, Flg Ser

2шт.

4

338045A1

LIGHT ASSY.

Stop And Turn Signal

2шт.

Incl. 4A, 4B

1шт.

4a

365285A1

CONNECTOR, ELEC

CONNECTOR Three-Way

1шт.

Not Illustrated

1шт.

4b

365286A1

LIGHT ASSY.

1шт.

Not Illustrated

1шт.

5

359450A1

SCREW

4шт.

6

895-11006

WASHER,6.6mm ID x 12mm OD x 1.6mm Thk

6шт.

7

829-1405

NUT,M5, Cl 10

4шт.

8

338940A1

SWITCH

Turn Signal

1шт.

9

338941A1

SWITCH

Brake Lamp

1шт.

10

337474A1

FITTING

1шт.

If Used

1шт.

11

864-5050

HEX SOC SCREW,M5 x 50mm, Cl 8.8

M5 x 50

2шт.

12

825-1405

NUT,M5, Cl 8

2шт.

13

363075A1

DIODE

1шт.

If Used

1шт.

14

309534A1

LIGHT, WARNING

1шт.

If Used

1шт.

15

367784A1

HARNESS

Road Lights

1шт.

16

317126A1

SWITCH

Parking Brake

1шт.

Not Illustrated

1шт.

See Figure 9-06

1шт.

Выбрано товаров: 26