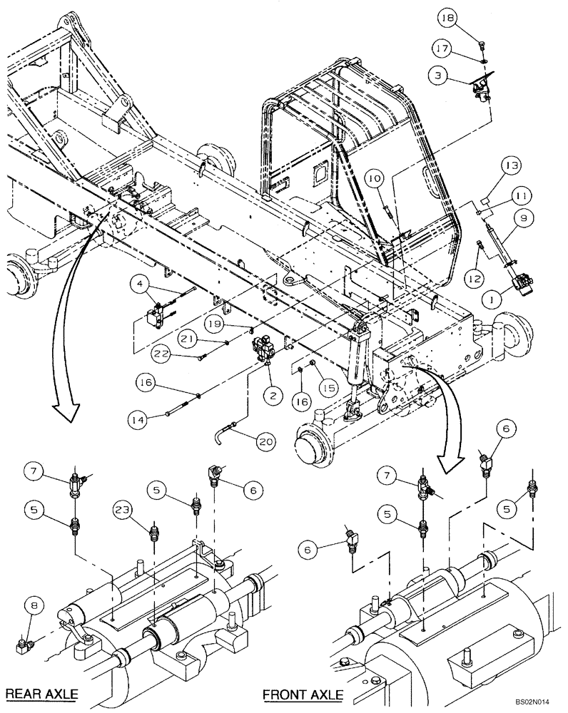
Запчасти Case 686G (5-06A) - STEERING & BRAKE HYDRAULICS (SERIES 2 ASN 686G JFE0000705; 686GXR JFE0001847; 688G JFE0003612) (05) - STEERING

Схема запчастей Case 686G - (5-06A) - STEERING & BRAKE HYDRAULICS (SERIES 2 ASN 686G JFE0000705; 686GXR JFE0001847; 688G JFE0003612) (05) - STEERING
5
16
18
22
5
9
6
2
23
4
20
3
12
17
21
15
19
14
6
5
1
5
6
7
11
10
8
7
13
16
FIT
1:1
100%

Артикул

Название

Примечание

Количество

1

86989593

VALVE

Orbital Assy

1шт.

See Figure 5-06D

1шт.

2

86989595

VALVE

Steering Priority

1шт.

See 5-10A

1шт.

3

86989597

VALVE

Brake Assy

1шт.

See 7-02A

1шт.

4

REF

INSTRUCTION

Valve Steering Selector

1шт.

See 5-08A

1шт.

5

86989598

ADAPTER

4шт.

6

309973A1

ADAPTER

4шт.

7

309984A1

ADAPTER

2шт.

8

432677A1

ELBOW

1шт.

9

317123A1

STEERING COLUMN

COLUMN-STEERING

1шт.

10

426-624

BOLT,Hex, 3/8" - 16 x 1-1/2", Gr 8

2шт.

11

317440A1

BUSHING

2шт.

12

380-2612

12 PT SCREW,Flg, 3/8" - 16 x 3/4", Full Thd

2шт.

13

318024A1

HEATER TUBE

Heat Shrink

1шт.

14

426-556

BOLT,Hex, 5/16" - 18 x 3-1/2", Gr 8

2шт.

15

231-1445

NUT,5/16"-18, GB

2шт.

16

495-11034

WASHER,5/16", SAE

(11/32 x 11/16 x 1/16")

4шт.

17

896-11008

WASHER,9mm ID x 17mm OD x 2mm Thk

3шт.

18

614-8025

BOLT,Hex, M8 x 1.25 x 25mm, Cl 8.8, Full Thd

3шт.

19

310407A1

CLAMP

1шт.

20

REF

INSTRUCTION

Steering and Brake Hoses

1шт.

See Figure 5-06B

1шт.

21

896-11008

WASHER,9mm ID x 17mm OD x 2mm Thk

1шт.

22

614-8025

BOLT,Hex, M8 x 1.25 x 25mm, Cl 8.8, Full Thd

1шт.

23

309983A1

ADAPTER

1шт.

24

86988827

CYLINDER ASSY.

Brake

1шт.

25

86988831

SPECIAL NUT

3шт.

26

86988832

ROD

Brake

1шт.

27

451178A1

BRACKET

Brake

1шт.

Выбрано товаров: 32