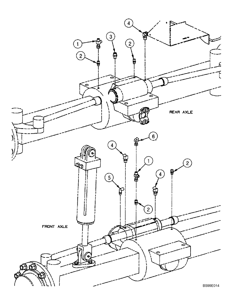
Запчасти Case 686G (6-02) - HYDRAULIC FITTINGS AT AXLE HSG (SERIES 2 BSN 686G JFE0000706; 686GXR JFE0001848; 688G JFE0003613) (06) - POWER TRAIN

Схема запчастей Case 686G - (6-02) - HYDRAULIC FITTINGS AT AXLE HSG (SERIES 2 BSN 686G JFE0000706; 686GXR JFE0001848; 688G JFE0003613) (06) - POWER TRAIN
4
2
2
1
3
2
6
4
1
5
4
2
FIT
1:1
100%

Артикул

Название

Примечание

Количество

1

309988A1

TEE

2шт.

2

317012A1

ADAPTER

4шт.

3

309968A1

ADAPTER

1шт.

4

309972A1

ADAPTER

45 degree

3шт.

5

317014A1

ADAPTER

90 degree

1шт.

6

326693A1

ADAPTER

45 degree

1шт.

Выбрано товаров: 6