Запчасти Case 686G (6-04) - AXLE AND CYLINDER MOUNTING (06) - POWER TRAIN

Схема запчастей Case 686G - (6-04) - AXLE AND CYLINDER MOUNTING (06) - POWER TRAIN
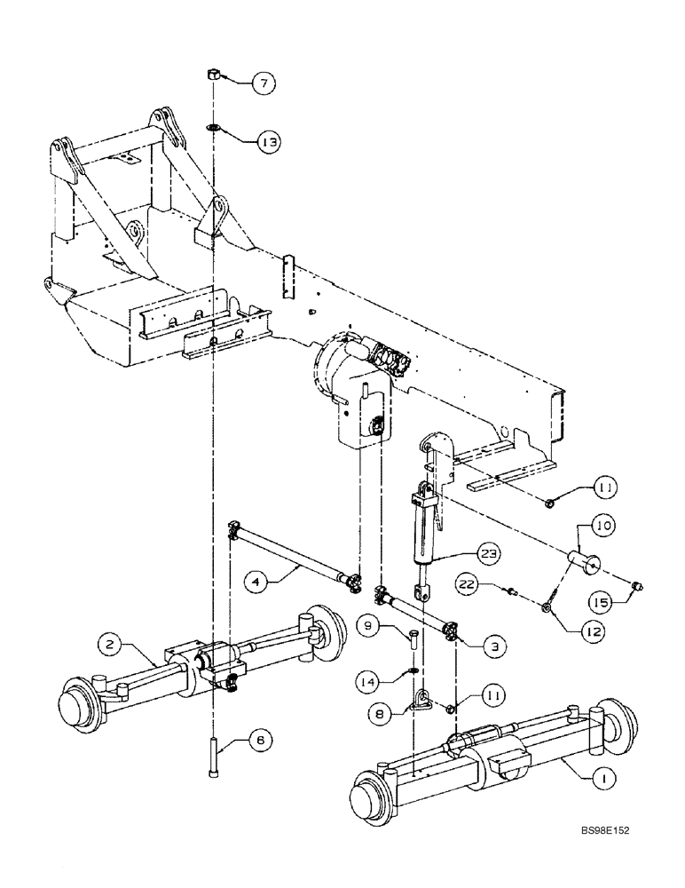
1
9
3
13
7
11
11
10
6
2
14
22
8
4
23
15
12
FIT
1:1
100%

Артикул

Название

Примечание

Количество

1

316217A1

AXLE, FRONT

1шт.

For 686G, 686GXR

1шт.

Includes Parts On Figures 6-6 - 6-20

1шт.

1

366274A1

AXLE, FRONT

Front

1шт.

For Series 2 686GXR

1шт.

Includes Parts On Figures 6-6 - 6-20

1шт.

No Longer Available

1шт.

For Service, Order 389343A1 Front Axle

1шт.

1

359438A1

AXLE, FRONT

1шт.

For Series 2 688G

1шт.

Includes Parts On Figures 6-6 - 6-20

1шт.

No Longer Available

1шт.

For Service, Order 389343A1 Front Axle

1шт.

1

389343A1

AXLE, FRONT

1шт.

For All Series 2 Models

1шт.

Includes Parts On Figures 6-6 - 6-18

1шт.

Replaces 366274A1, 359438A1

1шт.

2

316218A1

AXLE, REAR

AXLE REAR

1шт.

For 686G, 686GXR

1шт.

Includes Parts On Figures 6-6 - 6-18

1шт.

2

367205A1

CENTER AXLE

Rear

1шт.

Series 2 686G

1шт.

Includes Parts On Figures 6-6 - 6-18

1шт.

No Longer Available

1шт.

For Service, Order 389344A1 Rear Axle

1шт.

2

367203A1

CENTER AXLE

Rear

1шт.

Series 2 686GXR

1шт.

Includes Parts On Figures 6-6 - 6-18

1шт.

No Longer Available

1шт.

For Service, Order 389344A1 Rear Axle

1шт.

2

359439A1

AXLE, REAR

AXLE REAR

1шт.

For Series 2 688G

1шт.

Includes Parts On Figures 6-6 - 6-18

1шт.

No Longer Available

1шт.

For Service, Order 389344A1 Rear Axle

1шт.

2

389344A1

AXLE, REAR

AXLE REAR

1шт.

For All Series 2 Models

1шт.

Includes Parts On Figures 6-6 - 6-18

1шт.

Replaces 367205A1, 367203A1, 359439A1

1шт.

3

395214A1

DRIVE SHAFT

Front

1шт.

For 686G, 686GXR and Series 2 686GXR

1шт.

Replaces 325797A1, 316223A1

1шт.

3

395212A1

DRIVE SHAFT

Front

1шт.

For Series 2 686G

1шт.

Replaces 325797A1

1шт.

3

395216A1

DRIVE SHAFT

1шт.

For 688G

1шт.

Replaces 359440A1

1шт.

3a

316311A1

BEARING ASSY

2шт.

All Models

1шт.

Not Illustrated

1шт.

4

395213A1

DRIVE SHAFT

Rear

1шт.

Not Illustrated

1шт.

4a

316311A1

BEARING ASSY

2шт.

6

863-20130

HEX SOC SCREW,M20 x 130mm, Cl 12.9

M20 x 130; 12.9

8шт.

7

829-1420

NUT,M20, Cl 10

8шт.

8

316232A1

PAD

1шт.

9

614-14040

BOLT,Hex, M14 x 2 x 40mm, Cl 8.8, Full Thd

3шт.

10

316201A1

PIVOT PIN

2шт.

686G, 686GXR

1шт.

10

389848A1

PIVOT PIN

2шт.

Series 2 686G

1шт.

10

447760A1

PIVOT

2шт.

Series 2 686GXR, 688G

1шт.

11

316196A1

BUSHING

2шт.

12

316287A1

PIN

.2953 diameter

2шт.

686G, 686GXR, Series 2 686G

1шт.

12

310379A1

BRACKET

.500 diameter

2шт.

Series 2 686G, 688G

1шт.

13

896-12020

WASHER,22mm ID x 37mm OD x 4mm Thk

22 x 37 x 4 mm

8шт.

14

896-11014

WASHER,15.5mm ID x 28mm OD x 3mm Thk

15.5 x 28 x 3 mm

3шт.

15

219-1

LUBE NIPPLE,1/8" - 27 NPTF

2шт.

16

428-628

BOLT,Hex, 3/8" - 24 x 1-3/4", Gr 8

16шт.

Not Illustrated

1шт.

17

492-21038

LOCK WASHER,3/8"

3/8"

16шт.

Not Illustrated

1шт.

22

614-10020

BOLT,Hex, M10 x 1.5 x 20mm, Cl 8.8, Full Thd

2шт.

23

316222A1

CYLINDER

Axle Oscillation

1шт.

Incl. 23 - 23C

1шт.

23a

316310A1

VALVE, CHECK

2шт.

Not Illustrated

1шт.

23b

316198A1

LOCK NUT

1шт.

Not Illustrated

1шт.

23c

316309A1

SEAL KIT

KIT - seal

1шт.

Not Illustrated

1шт.

24

428-628

BOLT,Hex, 3/8" - 24 x 1-3/4", Gr 8

16шт.

Connects Front and Rear Drive Shaft To Axle and Transmission

1шт.

Not Illustrated

1шт.

25

392-21038

LOCK WASHER,3/8"

3/8"

16шт.

Выбрано товаров: 0