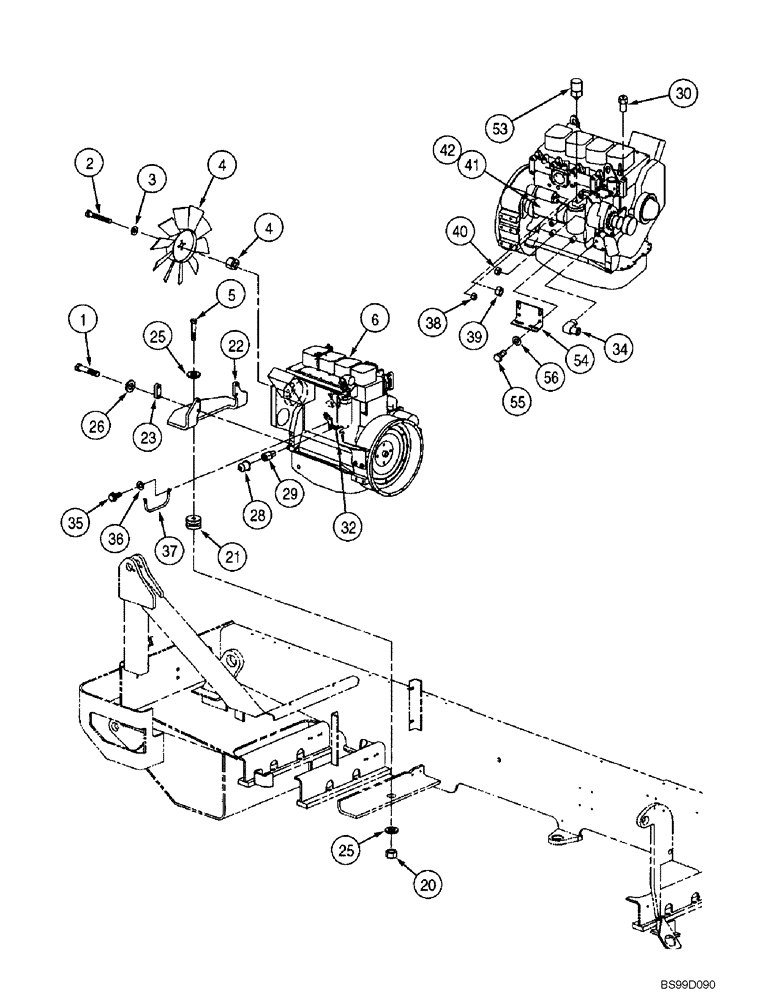
Запчасти Case 686G (2-02) - ENGINE MOUNTING - NATURALLY ASPIRATED ENGINE (ALL 686G MODELS, BSN 686GXR JFE0001640) (02) - ENGINE

Схема запчастей Case 686G - (2-02) - ENGINE MOUNTING - NATURALLY ASPIRATED ENGINE (ALL 686G MODELS, BSN 686GXR JFE0001640) (02) - ENGINE
3
36
29
30
5
25
20
40
42
39
54
32
26
34
53
4
1
4
22
41
38
55
6
35
21
37
23
28
25
56
2
FIT
1:1
100%

Артикул

Название

Примечание

Количество

1

864-12065

HEX SOC SCREW,M12 x 65mm, Cl 8.8

M12 x 65

4шт.

2

827-8055

BOLT,Hex, M8 x 1.25 x 55mm, Cl 10.9

4шт.

3

896-11008

WASHER,9mm ID x 17mm OD x 2mm Thk

9 x 17 x 2 mm

4шт.

4

316239A1

FAN

Cooling, Engine

1шт.

5

426-1260

BOLT,Hex, 3/4" - 10 x 3-3/4", Gr 8

3/4 x 3-3/4

1шт.

6

REF

INSTRUCTION

Engine Assy, Complete

1шт.

4-390 Emissions Certified Engine

1шт.

See 2-52 For Complete Engine Assy Part Number

1шт.

Incl. 6A - 6C

1шт.

6a

J934429

ENGINE OIL FILTER

Engine Oil

1шт.

Not Illustrated

1шт.

See Figure 2 -34

1шт.

6b

J286503

FUEL FILTER

Fuel

1шт.

Not Illustrated

1шт.

See Figure 3-12

1шт.

6c

D139225

FILTER, FUEL

In-Line

1шт.

Not Illustrated

1шт.

See Figure 3-04

1шт.

20

359565A1

NUT

3/4

1шт.

21

316315A1

MOUNTING PARTS

1шт.

22

316304A1

PLATE

1шт.

23

359563A1

SPACER

2шт.

25

359561A1

WASHER

13/16 x 1-15/32 x 1/8

2шт.

26

896-11012

WASHER,13.5mm ID x 24mm OD x 3mm Thk

4шт.

28

316209A1

SENDER UNIT

SENDER Engine Oil Pressure

1шт.

29

REF

INSTRUCTION

ADAPTER

1шт.

If Used

1шт.

30

309998A1

TEMPERATURE SENDER

Engine Coolant

1шт.

32

REF

INSTRUCTION

Throttle, engine

1шт.

34

316211A1

ELBOW

90 degree

1шт.

35

614-8025

BOLT,Hex, M8 x 1.25 x 25mm, Cl 8.8, Full Thd

1шт.

36

895-11008

WASHER,9mm ID x 16mm OD x 1.6mm Thk

1шт.

37

316242A1

STRAP

Ground

1шт.

38

825-1405

NUT,M5, Cl 8

1шт.

39

825-1410

NUT,M10, Cl 8

1шт.

40

829-1408

NUT,Hex, M8 x 1.25, Cl 10.9

1шт.

41

868-10035

12 PT SCREW,M10 x 35mm, Cl 12.9

M10 x 35; 12.9

3шт.

42

331497A1

KIT

Starter Replacement

1шт.

See Figure 02 -78

1шт.

53

359673A1

SWITCH

Engine Oil Pressure

1шт.

54

359560A1

BRACKET

Mounting, Exhaust

1шт.

55

614-12025

BOLT,Hex, M12 x 1.75 x 25mm, Cl 8.8, Full Thd

4шт.

56

896-11012

WASHER,13.5mm ID x 24mm OD x 3mm Thk

4шт.

Выбрано товаров: 43