Запчасти Case 686G (6-10) - FRONT AND REAR AXLE, PLANETARY RING GEARS AND SWIVEL (06) - POWER TRAIN

Схема запчастей Case 686G - (6-10) - FRONT AND REAR AXLE, PLANETARY RING GEARS AND SWIVEL (06) - POWER TRAIN
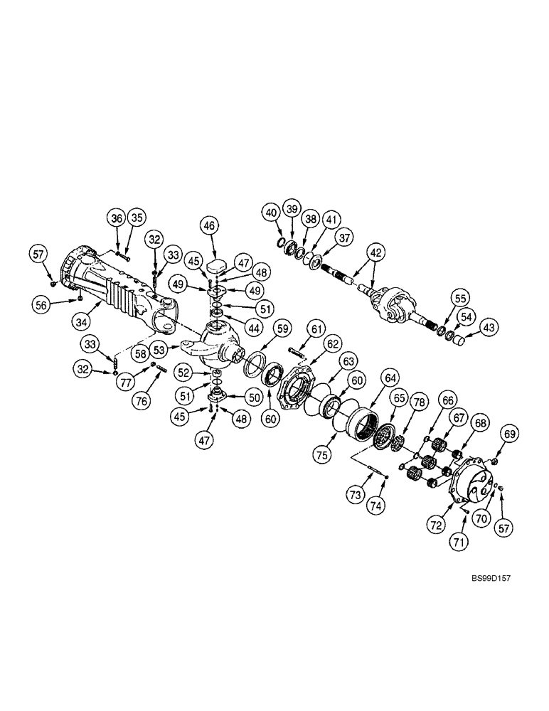
44
46
58
64
76
67
47
51
56
60
43
57
70
69
49
48
42
74
55
40
52
41
32
38
33
73
68
33
50
77
39
63
54
60
48
36
45
57
37
65
59
53
62
32
49
34
66
75
71
61
51
35
72
47
78
45
FIT
1:1
100%

Артикул

Название

Примечание

Количество

REF

INSTRUCTION

Axle, Front

1шт.

See Figure 6-04 For Correct Axle For Each Model

1шт.

REF

INSTRUCTION

Axle, Rear

1шт.

See Figure 6-04 For Correct Axle For Each Model

1шт.

32

318058A1

NUT

4шт.

33

318103A1

BOLT

4шт.

For 316217A1, 366274A1, 359438A1, 367205A1, 367203A1 and 316218A1 Axle

1шт.

33

366711A1

BOLT

4шт.

For 389343A1, 359439A1, and 389344A1 Axle

1шт.

34

317673A1

CASE

2шт.

For 316217A1 and 316218A1 Axle

1шт.

35

317674A1

BOLT

32шт.

For 316217A1, 366274A1, 359438A1, 367205A1, 367203A1 and 316218A1 Axle

1шт.

35

367094A1

BOLT

32шт.

For 359439A1, 389343A1 and 389344A1 Axle

1шт.

36

317675A1

WASHER

32шт.

37

317676A1

FLANGE

2шт.

For 316217A1, 366274A1, 367205A1, 367203A1, and 316218A1 Axle

1шт.

37

367092A1

BUSHING

2шт.

For 359439A1, 389343A1 and 389344A1 Axle

1шт.

37

366641A1

FLANGE

2шт.

For 359438A1 Axle

1шт.

38

316971A1

SEAL

2шт.

39

316972A1

BALL BEARING

Ball

2шт.

40

318053A1

CLIP

2шт.

40a

87411931

RETAINER

2шт.

For 389434A1 Axle

1шт.

Not Illustrated

1шт.

41

318072A1

O-RING

2шт.

For 316217A1, 366274A1, 359438A1, 367205A1, 367203A1 and 316218A1 Axle

1шт.

41

366712A1

O-RING

2шт.

For 359439A1, 389343A1 and 389344A1 Axle

1шт.

42

317677A1

JOINT

2шт.

For 316217A1, 366274A1, 367205A1, 367203A1 and 316218A1 Axle

1шт.

42

366644A1

JOINT

2шт.

For 359438A1 Axle

1шт.

42

366713A1

JOINT

2шт.

For 359439A1, 389343A1 and 389344A1 Axle

1шт.

43

317679A1

BUSHING

thrust

2шт.

44

317680A1

RACE

2шт.

45

317646A1

BOLT

16шт.

46

317682A1

COVER

2шт.

47

317040A1

PLUG

4шт.

48

318047A1

FITTING

Grease

4шт.

49

411425A1

PIVOT PIN

Swivel Housing, Upper

2шт.

For 316217A1, 366274A1, 359438A1, 367205A1, 367203A1, 316218A1 and 359439A1 Axle

1шт.

Replaces 317683A1

1шт.

49

87411926

PIVOT PIN

Swivel Housing, Upper

2шт.

For 389343A1 and 389344A1 Axle

1шт.

49a

87411933

SHIM

1шт.

For 389343A1 and 389344A1 Axle

1шт.

49a

87411934

SHIM

1шт.

For 389343A1 and 389344A1 Axle

1шт.

49a

87411935

SHIM

1шт.

For 389343A1 and 389344A1 Axle

1шт.

50

317684A1

PIVOT PIN

Swivel Housing, Lower

2шт.

50

411425A1

PIVOT PIN

2шт.

For 389343A1 and 389344A1 Axle

1шт.

51

317685A1

SEAL

4шт.

52

317686A1

SPACER

2шт.

53

317689A1

CASE

Swivel

1шт.

Right Hand Front

1шт.

Left Hand Rear

1шт.

For 359438A1 Axle

1шт.

53

418505A1

CASE

Swivel

1шт.

Right Hand Front

1шт.

Left Hand Rear

1шт.

For 316217A1 and 316218A1 Axle

1шт.

54

317690A1

SEAL

2шт.

55

317692A1

SEAL

Dust

2шт.

56

317639A1

PLUG

2шт.

57

318064A1

PLUG

3шт.

58

442124A1

CASE

1шт.

For 316217A1 and 316218A1 Axle

1шт.

Replaces 317693A1 and 411429A1

1шт.

59

317694A1

SEAL

2шт.

60

317695A1

BALL BEARING

4шт.

61

317039A1

STUD

20шт.

For All Axles Except 359439A1

1шт.

61

366714A1

STUD

20шт.

For 359439A1 Axle

1шт.

62

317696A1

HUB

2шт.

For 316217A1 and 316218A1 Axle

1шт.

62

87411927

HUB

2шт.

For 389343A1 and 389344A1 Axle

1шт.

63

316996A1

O-RING

2шт.

64

317697A1

RING

2шт.

For 316217A1, 366274A1, 359438A1, 367205A1, 367203A1, 316218A1 and 359439A1 Axle

1шт.

64

87411928

RING GEAR

2шт.

For 389343A1, 389344A1 Axle

1шт.

65

317699A1

RING

2шт.

For 316217A1, 366274A1, 359438A1, 367205A1, 367203A1, 316218A1 and 359439A1 Axle

1шт.

65

87411929

SUPPORT

2шт.

66

317700A1

CLIP

6шт.

67

317701A1

GEAR

Planetary

6шт.

68

317702A1

BALL BEARING

6шт.

69

317703A1

PLUG

Port

20шт.

For 316217A1, 359438A1, and 316218A1 Axle

1шт.

70

318065A1

SEALING WASHER

5шт.

71

316970A1

BOLT

4шт.

For 316217A1, 366274A1, 359438A1, 367205A1, 367203A1, 316218A1 and 359439A1 Axle

1шт.

71

87411930

BOLT

4шт.

For 389343A1, 389344A1 Axle

1шт.

72

317704A1

CARRIER

Planetary

2шт.

All Axles Except 366274A1, 359438A1 and 389343A1 Axle

1шт.

73

317712A1

STUD

16шт.

74

317713A1

NUT

16шт.

75

317714A1

CLIP

2шт.

76

317715A1

BOLT

BOLT - adjusting

2шт.

77

317716A1

JAM NUT

NUT - jam

2шт.

78

317727A1

PLATE, LOCKING

2шт.

87411958

KIT

Gear

1шт.

Incl. 66 - 70, 87411930, 75

1шт.

Выбрано товаров: 113