Запчасти Case 686G (6-24) - TRANSMISSION MOUNTING AND RELATED PARTS (06) - POWER TRAIN

Схема запчастей Case 686G - (6-24) - TRANSMISSION MOUNTING AND RELATED PARTS (06) - POWER TRAIN
27
16
13
19
17
9
8
14
7
15
18
24
10
FIT
1:1
100%

Артикул

Название

Примечание

Количество

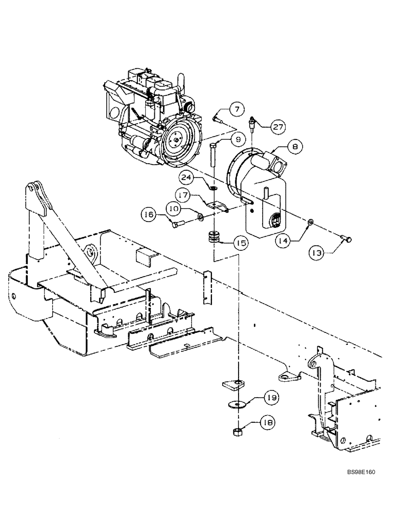
7

428-628

BOLT,Hex, 3/8" - 24 x 1-3/4", Gr 8

3/8 x 1-3/4 in

8шт.

8

316219A1

TRANSMISSION

Complete

1шт.

For Models With Naturally Aspirated Engine

1шт.

See Figures 6-26 - 6-48

1шт.

8

317004A1

TRANSMISSION

Complete

1шт.

For Models With Turbocharged Engine

1шт.

See Figures 6-26 - 6-48

1шт.

686GXR P.I.N. JFE0001501 - JFE0001847

1шт.

688G P.I.N. JFE0003501 - JFE0003612

1шт.

8

449884A1

TRANSMISSION

Complete

1шт.

For Models With Turbocharged Engine

1шт.

Not Illustrated

1шт.

686GXR P.I.N. JFE0001848 And After

1шт.

688G P.I.N. JFE0003613 And After

1шт.

Component Parts Not Available At Time Of Printing

1шт.

9

426-1476

BOLT,Hex, 7/8" - 9 x 4-3/4", Gr 8

7/8 x 4-3/4 in

2шт.

10

896-11012

WASHER,13.5mm ID x 24mm OD x 3mm Thk

4шт.

13

627-10035

BOLT,Hex, M10 x 1.5 x 35mm, Cl 10.9, Full Thd

11шт.

14

896-11010

WASHER,11mm ID x 21mm OD x 2.5mm Thk

11шт.

15

316230A1

BUSHING

2шт.

16

614-12035

BOLT,Hex, M12 x 1.75 x 35mm, Cl 8.8, Full Thd

4шт.

17

316252A1

BRACKET

2шт.

18

359564A1

NUT

7/8

2шт.

19

316247A1

WASHER

2шт.

24

495-11094

WASHER,7/8", SAE

15/16 x 1-3/4 x 1/8 in

2шт.

27

316313A1

SENDER UNIT

SENDER Oil Temperature

1шт.

Выбрано товаров: 26