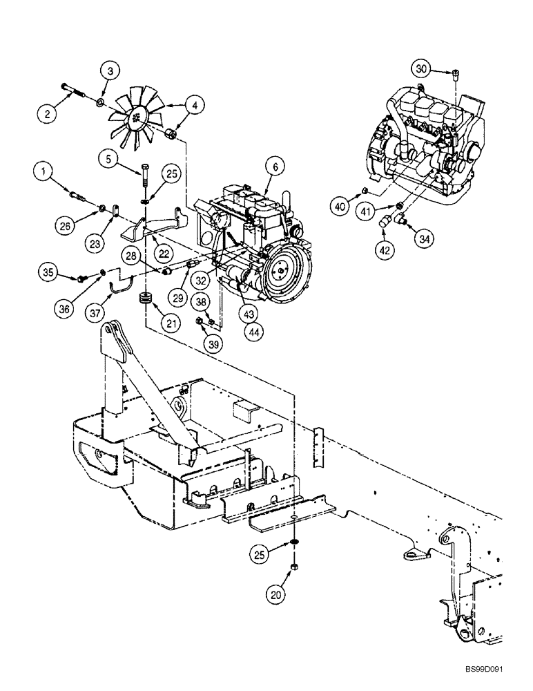
Запчасти Case 686G (2-03) - ENGINE MOUNTING - TURBOCHARGED CUMMINS ENGINE (BSN 686G JFE0000662, 686GXR JFE0001640) (02) - ENGINE

Схема запчастей Case 686G - (2-03) - ENGINE MOUNTING - TURBOCHARGED CUMMINS ENGINE (BSN 686G JFE0000662, 686GXR JFE0001640) (02) - ENGINE
30
32
43
22
42
21
3
25
4
2
35
28
29
6
39
1
40
23
25
34
41
44
5
37
26
38
36
20
FIT
1:1
100%

Артикул

Название

Примечание

Количество

1

828-12060

BOLT,Hex, M12 x 1.75 x 60mm, Cl 10.9

4шт.

2

827-8070

BOLT,Hex, M8 x 1.25 x 70mm, Cl 10.9

4шт.

3

896-11008

WASHER,9mm ID x 17mm OD x 2mm Thk

9 x 17 x 2 mm

4шт.

4

318332A1

FAN

Cooling, engine

1шт.

5

426-1260

BOLT,Hex, 3/4" - 10 x 3-3/4", Gr 8

3/4 x 3-3/4; 8

1шт.

6

REF

INSTRUCTION

Engine Assy, Complete

1шт.

4T-390 Emissions Certified

1шт.

See 2-56 For Complete Engine Assy Part Number

1шт.

Incl. 6A - 6C

1шт.

6a

J934429

ENGINE OIL FILTER

Engine Oil

1шт.

Not Illustrated

1шт.

See Figure 2-36

1шт.

6b

J286503

FUEL FILTER

Fuel

1шт.

Not Illustrated

1шт.

See Figure 3-12

1шт.

6c

D139225

FILTER, FUEL

Fuel, In-line

1шт.

Not Illustrated

1шт.

See Figure 3-04

1шт.

20

359565A1

NUT

3/4

1шт.

21

316315A1

MOUNTING PARTS

Shock, Engine

1шт.

When ordering Ref #22 Shift assembly- transmission. part number 317363A1 (FNR decal) should also be ordered. - (PA-TSG 1-14-2000)

1шт.

22

316304A1

PLATE

Engine Mounting

1шт.

23

359563A1

SPACER

Mounting

2шт.

25

359561A1

WASHER

2шт.

26

896-11012

WASHER,13.5mm ID x 24mm OD x 3mm Thk

4шт.

28

316209A1

SENDER UNIT

SENDER Engine Oil Pressure

1шт.

29

REF

INSTRUCTION

Adapter, straight

1шт.

If Used

1шт.

30

309998A1

TEMPERATURE SENDER

Engine Coolant

1шт.

32

REF

INSTRUCTION

Throttle, Engine

1шт.

34

316211A1

ELBOW

90 degree

1шт.

35

614-8025

BOLT,Hex, M8 x 1.25 x 25mm, Cl 8.8, Full Thd

1шт.

36

896-11008

WASHER,9mm ID x 17mm OD x 2mm Thk

9 x 17 x 2 mm

1шт.

37

316242A1

STRAP

Ground

1шт.

38

825-1405

NUT,M5, Cl 8

1шт.

39

825-1410

NUT,M10, Cl 8

1шт.

40

829-1408

NUT,Hex, M8 x 1.25, Cl 10.9

1шт.

41

360717A1

BUSHING

Reducer

1шт.

42

359673A1

SWITCH

Engine Oil Pressure

1шт.

43

331500A1

KIT

Starter Replacement

1шт.

See Figure 2-78

1шт.

44

627-10035

BOLT,Hex, M10 x 1.5 x 35mm, Cl 10.9, Full Thd

3шт.

Выбрано товаров: 0