Запчасти Case 686G (9-26) - BOOM ASSEMBLY & CYLINDERS (BSN 686G JFE0000662; 686GXR JFE0001702) (09) - CHASSIS/ATTACHMENTS

Схема запчастей Case 686G - (9-26) - BOOM ASSEMBLY & CYLINDERS (BSN 686G JFE0000662; 686GXR JFE0001702) (09) - CHASSIS/ATTACHMENTS
9
10
6
4
8
3
14
11
7
5
2
1
5
16
13
5
15
12
FIT
1:1
100%

Артикул

Название

Примечание

Количество

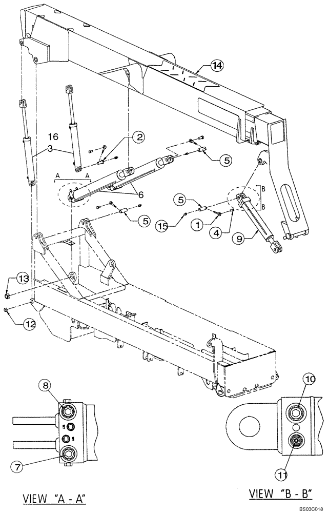
1

316287A1

PIN

2953 mm diameter

12шт.

2

316201A1

PIVOT PIN

4шт.

3

317050A1

CYLINDER

Boom Compensation

2шт.

Incl. 3A - 3B

1шт.

No Longer Available, Order 366334A1, Ref 16 Below

1шт.

3a

316964A1

LOCK NUT

1шт.

Not Illustrated

1шт.

3b

317602A1

SEAL KIT

Seal

1шт.

Not Illustrated

1шт.

4

614-10020

BOLT,Hex, M10 x 1.5 x 20mm, Cl 8.8, Full Thd

12шт.

5

317064A1

PIVOT PIN

8шт.

6

363139A1

CYLINDER ASSY.

Boom Lift

2шт.

Incl. 7 - 8B

1шт.

7

317604A1

VALVE

Counter Balance

1шт.

Left Hand Side of Cylinder

1шт.

8

366335A1

VALVE

Counter Balance

1шт.

Right Hand Side of Cylinder

1шт.

Replaces 357841A1

1шт.

8a

316964A1

LOCK NUT

1шт.

Not Illustrated

1шт.

8b

359451A1

SEAL KIT

Seal

1шт.

Not Illustrated

1шт.

9

317052A1

CYLINDER

Fork Tilt

1шт.

Incl 10 - 11B

1шт.

10

317608A1

VALVE

Relief Cartridge

1шт.

11

317609A1

VALVE, PRESSURE RELI

EF Relief Cartridge

1шт.

11a

316965A1

LOCK NUT

1шт.

Not Illustrated

1шт.

11b

317607A1

SEAL KIT

Seal

1шт.

Not Illustrated

1шт.

12

316196A1

BUSHING

2шт.

13

316993A1

SPHERICAL BEARING

2шт.

14

REF

INSTRUCTION

Boom Assy, Telescopic

1шт.

See Figure 9-31 and 9-37

1шт.

15

219-1

LUBE NIPPLE,1/8" - 27 NPTF

12шт.

16

366334A1

CYLINDER

Boom Compensation

2шт.

Incl. 17 - 20

1шт.

17

451770A1

PLUG

1шт.

Not Illustrated

1шт.

18

451771A1

SET SCREW

1шт.

Not Illustrated

1шт.

19

316964A1

LOCK NUT

1шт.

Not Illustrated

1шт.

20

317602A1

SEAL KIT

1шт.

Not Illustrated

1шт.

Выбрано товаров: 0