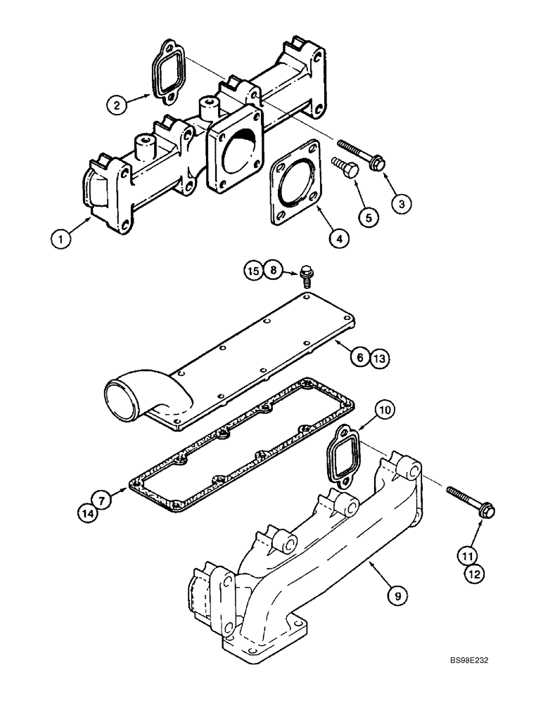
Запчасти Case 686G (2-26) - MANIFOLDS - EXHAUST AND INTAKE, 4-390 AND 4T-390 EMISSIONS CERTIFED (02) - ENGINE

Схема запчастей Case 686G - (2-26) - MANIFOLDS - EXHAUST AND INTAKE, 4-390 AND 4T-390 EMISSIONS CERTIFED (02) - ENGINE
15
9
1
2
6
5
13
7
10
12
8
3
4
11
14
FIT
1:1
100%

Артикул

Название

Примечание

Количество

EXHAUST - 4-390 ENGINE

1шт.

1

J902274

MANIFOLD

1шт.

2

J927154

GASKET,0.38mm Thk

4шт.

Replaces J905443

1шт.

3

J901448

FLANGE BOLT,Hex, M10 x 65mm

8шт.

Replaces J930249

1шт.

4

J912220

GASKET,0.4mm Thk

1шт.

5

614-10025

BOLT,Hex, M10 x 1.5 x 25mm, Cl 8.8

4шт.

INTAKE - 4-390 ENGINE

1шт.

6

J910450

COVER

1шт.

7

J938153

MANIFOLD GASKET,0.8mm Thk

1шт.

Replaces J931605

1шт.

8

844-8025

BOLT,Hvy Hex, M8 x 25mm, Cl 8.8

10шт.

EXHAUST - 4T-390 ENGINE

1шт.

9

J912600

MANIFOLD

1шт.

10

J927154

GASKET,0.38mm Thk

4шт.

Replaces J905443

1шт.

11

J901448

FLANGE BOLT,Hex, M10 x 65mm

7шт.

Replaces J930249

1шт.

12

J920346

BOLT

1шт.

INTAKE - 4T-390 ENGINE

1шт.

13

J910450

COVER

1шт.

14

J938153

MANIFOLD GASKET,0.8mm Thk

1шт.

Replaces J931605

1шт.

15

J918109

FLANGE BOLT,Hex, M8 x 1.25 x 25mm

10шт.

Выбрано товаров: 25