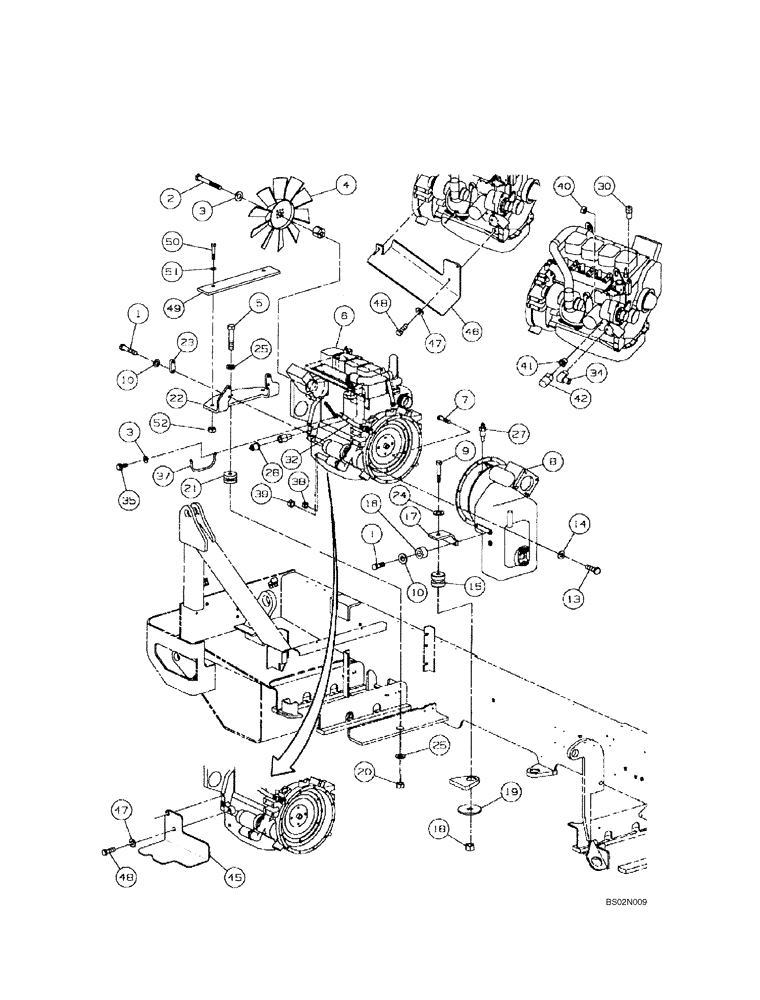
Запчасти Case 688G (2-05) - ENGINE MOUNTING - TURBO (ASN 686GXR JFE0001847; 688G JFE0003612) (02) - ENGINE

Схема запчастей Case 688G - (2-05) - ENGINE MOUNTING - TURBO (ASN 686GXR JFE0001847; 688G JFE0003612) (02) - ENGINE
20
8
45
10
7
51
37
47
28
47
3
1
34
49
48
48
14
30
27
21
25
41
32
38
52
1
40
19
24
35
42
9
18
25
50
4
15
10
5
23
39
17
18
46
13
22
2
6
3
FIT
1:1
100%

Артикул

Название

Примечание

Количество

1

828-12060

BOLT,Hex, M12 x 1.75 x 60mm, Cl 10.9

4шт.

2

827-8070

BOLT,Hex, M8 x 1.25 x 70mm, Cl 10.9

4шт.

3

449889A1

WASHER

4шт.

4

318332A1

FAN

Turbocharged Engine

1шт.

5

426-1260

BOLT,Hex, 3/4" - 10 x 3-3/4", Gr 8

3/4 x 3-3/4

1шт.

6

REF

INSTRUCTION

Engine Assy, Complete

1шт.

4T-390 Emissions Certified

1шт.

See 2-56 For Complete Engine Assy Part Number

1шт.

Incl. 6A - 6C

1шт.

6a

J934429

ENGINE OIL FILTER

Engine Oil

1шт.

Not Illustrated

1шт.

6b

J931062

FILTER

Fuel

1шт.

Not Illustrated

1шт.

6c

316974A1

FILTER, FUEL

Fuel, Inline

1шт.

Not Illustrated

1шт.

7

428-628

BOLT,Hex, 3/8" - 24 x 1-3/4", Gr 8

3/8 x 1-2/4

8шт.

8

449884A1

TRANSMISSION

Turbo Engine

1шт.

See Figure 6-24

1шт.

9

426-1476

BOLT,Hex, 7/8" - 9 x 4-3/4", Gr 8

7/8 x 4-3/4

2шт.

10

310091A1

WASHER

4шт.

11

314282A1

STARTING MOTOR

Turbo

1шт.

See Figure 2-78

1шт.

12

627-10035

BOLT,Hex, M10 x 1.5 x 35mm, Cl 10.9, Full Thd

3шт.

13

627-10035

BOLT,Hex, M10 x 1.5 x 35mm, Cl 10.9, Full Thd

11шт.

14

896-11010

WASHER,11mm ID x 21mm OD x 2.5mm Thk

11шт.

15

316230A1

BUSHING

2шт.

16

449885A1

SPECIAL BOLT

4шт.

17

449886A1

BRACKET

2шт.

18

359564A1

NUT

2шт.

19

316247A1

WASHER

2шт.

20

359565A1

NUT

1шт.

21

316315A1

MOUNTING PARTS

1шт.

22

449887A1

MOUNTING PLATE

1шт.

23

359563A1

SPACER

2шт.

24

495-11094

WASHER,7/8", SAE

15/16 x 1-3/4 x 1/8

2шт.

25

359561A1

WASHER

1шт.

27

316313A1

SENDER UNIT

SENDER Temperature

1шт.

28

449888A1

SENDER UNIT

Oil Pressure

1шт.

30

309998A1

TEMPERATURE SENDER

1шт.

31

316297A1

GUARD

Alternator Belt

1шт.

32

366829A1

THROTTLE ASSEMBLY

1шт.

Incl. 33 - 33E

1шт.

33

317136A1

BRACKET

1шт.

33a

317137A1

LEVER

1шт.

33b

317898A1

BOLT

1шт.

33c

905-6012

BOLT,Hex Flg, M6 x 12mm

M6 x 12

2шт.

33d

121-420

STEP BOLT,Hex Skt, 3/8" - 16 - 1/2" x 5/8"

1шт.

33e

231-14409

NUT,#10-24, GB

1шт.

34

316211A1

ELBOW

1шт.

35

614-8025

BOLT,Hex, M8 x 1.25 x 25mm, Cl 8.8, Full Thd

1шт.

37

316242A1

STRAP

Ground

1шт.

38

825-1405

NUT,M5, Cl 8

1шт.

39

829-1410

NUT,M10 x 1.5, Cl 10.9

1шт.

40

829-1408

NUT,Hex, M8 x 1.25, Cl 10.9

1шт.

41

221-84

REDUCER,Hex, 1/4" x 1/8" NPT

1шт.

42

359673A1

SWITCH

Engine Oil Pressure

1шт.

45

433453A1

BRACKET

Baffle, Fuel Side

1шт.

46

433459A1

BAFFLE

Exhaust Side

1шт.

47

433464A1

SPECIAL WASHER

5шт.

48

614-12025

BOLT,Hex, M12 x 1.75 x 25mm, Cl 8.8, Full Thd

5шт.

49

433457A1

BAFFLE

Engine Mounting

1шт.

50

316960A1

WASHER

2шт.

51

814-8050

BOLT,Hex, M8 x 1.25 x 50mm, Cl 8.8

2шт.

52

829-1408

NUT,Hex, M8 x 1.25, Cl 10.9

2шт.

Выбрано товаров: 64