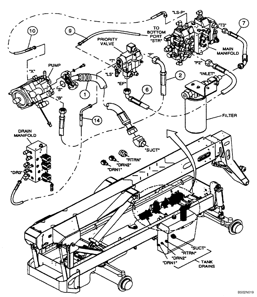
Запчасти Case 688G (8-11) - HYDRAULICS - PUMP TO MANIFOLD (ASN 686GXR JFE0001847; 688G JFE0003612) (08) - HYDRAULICS

Схема запчастей Case 688G - (8-11) - HYDRAULICS - PUMP TO MANIFOLD (ASN 686GXR JFE0001847; 688G JFE0003612) (08) - HYDRAULICS
10
7
6
1
9
14
2
FIT
1:1
100%

Артикул

Название

Примечание

Количество

1

451606A1

HOSE ASSY.

Pump To Suction

1шт.

2

365004A1

HOSE ASSY.

Pump To Priority Valve

1шт.

6

369734A1

HOSE ASSY.

Main Manifold To Priority Valve

1шт.

7

451608A1

HOSE ASSY.

Main Manifold To Filter Inlet

1шт.

9

451610A1

HOSE ASSY.

Main Manifold To Priority Valve

1шт.

10

451611A1

HOSE ASSY.

Main Manifold To Pump

1шт.

14

451615A1

HOSE ASSY.

Priority Valve To Drain Manifold

1шт.

Выбрано товаров: 0