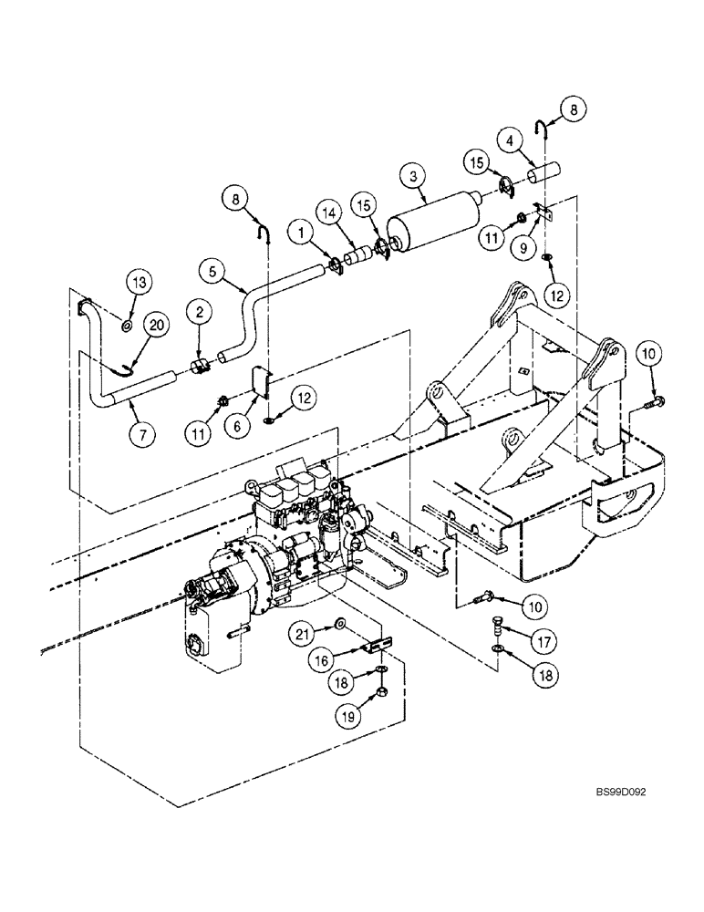
Запчасти Case 688G (2-06) - EXHAUST SYSTEM - NATURALLY ASPIRATED ENGINE (ALL 686G MODELS, BSN 686GXR JFE0001641) (02) - ENGINE

Схема запчастей Case 688G - (2-06) - EXHAUST SYSTEM - NATURALLY ASPIRATED ENGINE (ALL 686G MODELS, BSN 686GXR JFE0001641) (02) - ENGINE
8
15
6
4
3
9
12
21
15
11
7
18
13
14
19
5
18
10
11
10
20
1
16
2
8
12
17
FIT
1:1
100%

Артикул

Название

Примечание

Количество

1

310154A1

CLAMP

U-bolt Type

2шт.

At Muffler

1шт.

2

310446A1

CLAMP

Special

1шт.

3

316991A1

MUFFLER

Exhaust

1шт.

4

317075A1

PIPE

Tail

1шт.

5

317087A1

PIPE, EXHAUST SYSTEM

PIPE, EXHAUST

1шт.

6

317086A1

BRACKET

Exhaust Pipe

1шт.

7

317085A1

PIPE, EXHAUST SYSTEM

PIPE, EXHAUST Flanged

1шт.

8

317079A1

U-BOLT

BOLT "U"

2шт.

9

317078A1

BRACKET

Tail Pipe

1шт.

10

905-8030

BOLT,Hex Flg, M8 x 30mm

8 x 30 mm

4шт.

11

825-5148

SERRATED NUT,M8, Flg Ser

4шт.

12

495-11034

WASHER,5/16", SAE

(11/32 x 11/16 x 1/16")

4шт.

14

328408A1

PIPE

Reducer, Exhaust

1шт.

15

318035A1

CLAMP

Muffler

2шт.

16

359560A1

BRACKET

Mounting, Exhaust

1шт.

17

614-12030

BOLT,Hex, M12 x 1.75 x 30mm, Cl 8.8, Full Thd

2шт.

18

896-11012

WASHER,13.5mm ID x 24mm OD x 3mm Thk

4шт.

19

829-1412

NUT,M12, Cl 10.9

2шт.

20

317079A1

U-BOLT

BOLT "U"

1шт.

13

895-11010

WASHER,11mm ID x 20mm OD x 2mm Thk

4шт.

21

895-11010

WASHER,11mm ID x 20mm OD x 2mm Thk

2шт.

Выбрано товаров: 22