Качественные детали и логистика
Оригинальные и аналоговые запчасти с доставкой по России, Казахстану и Беларуси
©2022 PartSell ООО "Система" ИНН 2463123282 ОГРН 1212400004838
Центральный офис: г. Красноярск, Академика Киренского, д.87, пом.4
Телефон: 8 (800) 777-65-74 Email: zakaz@partsell.ru
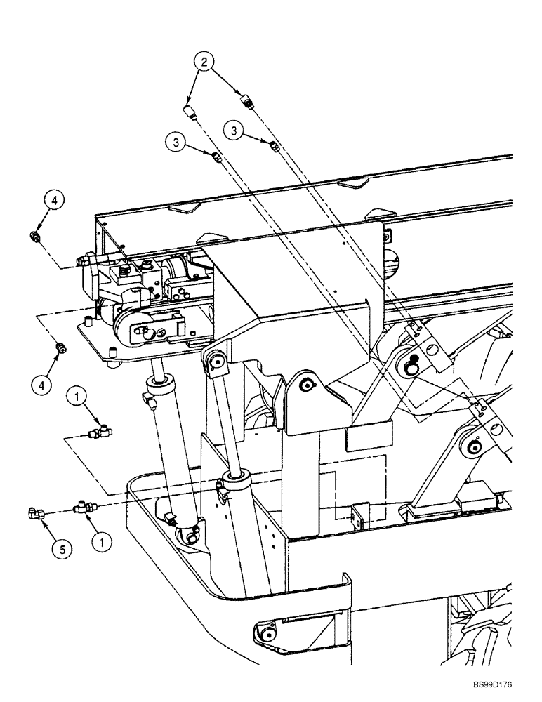
(8-34) - CYLINDER HYDRAULIC LINE FITTINGS, LIFT AND CROWD (SERIES 2 686GXR AND 688G)
№
Артикул
Название
Примечание
Количество
1
365701A1
ADAPTER
2шт.
2
309956A1
3
309968A1
4шт.
4
318087A1
5
318095A1
1шт.
Выбрано товаров: 0