Запчасти Case 688G (8-42) - FRAME LEVEL LOCKOUT VALVE (SERIES 2 686GXR AND 688G) (08) - HYDRAULICS

Схема запчастей Case 688G - (8-42) - FRAME LEVEL LOCKOUT VALVE (SERIES 2 686GXR AND 688G) (08) - HYDRAULICS
1
4
6
2
8
5
1
2
3
9
7
FIT
1:1
100%

Артикул

Название

Примечание

Количество

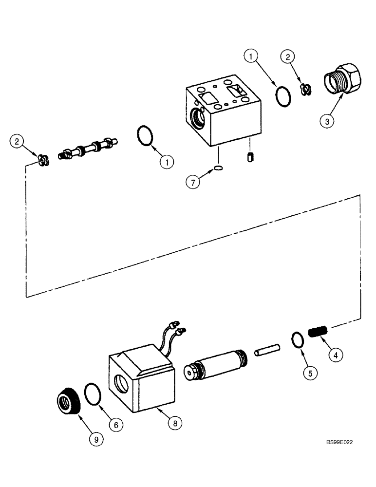
366541A1

VALVE

Frame Lockout

1шт.

Incl. 1 - 11

1шт.

1

NSS

NOT SOLD SEPARAT

O-ring

2шт.

2

NSS

NOT SOLD SEPARAT

Washer

2шт.

3

366551A1

PLUG

1шт.

4

NSS

NOT SOLD SEPARAT

Spring

1шт.

5

NSS

NOT SOLD SEPARAT

O-ring

1шт.

6

NSS

NOT SOLD SEPARAT

O-ring

1шт.

7

NSS

NOT SOLD SEPARAT

O-ring

4шт.

8

317618A1

COIL

1шт.

9

317027A1

NUT

1шт.

10

317620A1

SEAL KIT

Seal

1шт.

Incl. 1, 5, 6, 7

1шт.

11

317619A1

KIT

Spool Accessory

1шт.

Incl. 1, 2, 4, 5, 6

1шт.

Выбрано товаров: 0