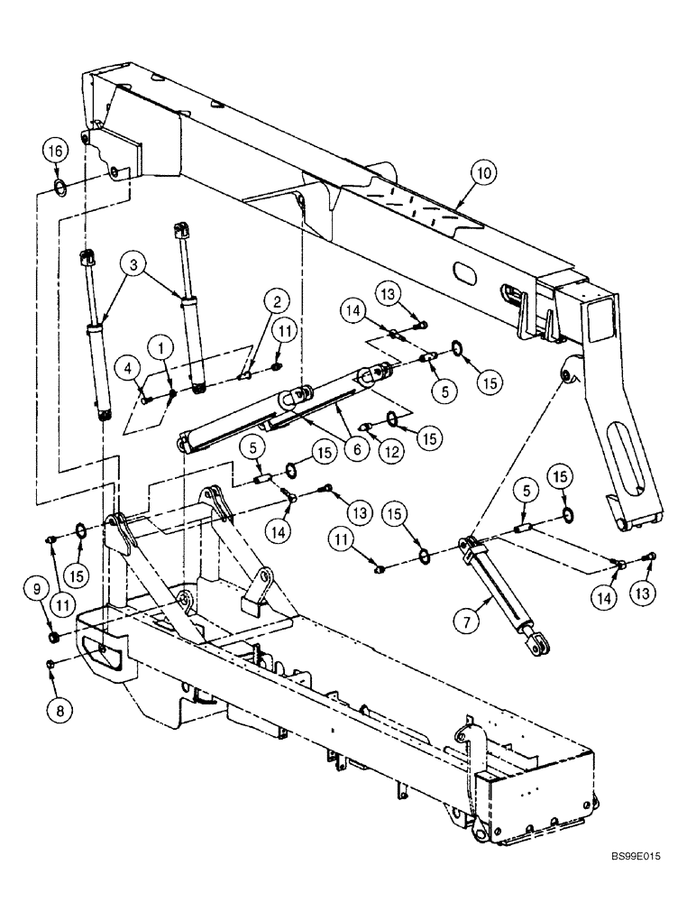
Запчасти Case 688G (9-28A) - BOOM ASSEMBLY & CYLINDERS (BSN 688G JFE0003613) (09) - CHASSIS/ATTACHMENTS

Схема запчастей Case 688G - (9-28A) - BOOM ASSEMBLY & CYLINDERS (BSN 688G JFE0003613) (09) - CHASSIS/ATTACHMENTS
11
13
11
8
5
5
10
11
15
14
3
5
13
6
9
15
13
12
14
15
1
2
14
16
15
4
15
7
15
FIT
1:1
100%

Артикул

Название

Примечание

Количество

1

316287A1

PIN

.2953 diameter

4шт.

2

389848A1

PIVOT PIN

4шт.

3

366334A1

CYLINDER

Boom Compensation

2шт.

Incl. 3A - 3D

1шт.

3a

451770A1

PLUG

1шт.

Not Illustrated

1шт.

3b

451771A1

SET SCREW

1шт.

Not Illustrated

1шт.

3c

316964A1

LOCK NUT

1шт.

Not Illustrated

1шт.

3d

317602A1

SEAL KIT

1шт.

Not Illustrated

1шт.

4

614-10020

BOLT,Hex, M10 x 1.5 x 20mm, Cl 8.8, Full Thd

4шт.

5

363765A1

PIN

8шт.

6

363139A1

CYLINDER ASSY.

Boom Lift

2шт.

Incl. 6A - 6C

1шт.

6a

366335A1

VALVE

Relief Cartridge

1шт.

Not Illustrated

1шт.

6b

366336A1

LOCK NUT

1шт.

Not Illustrated

1шт.

6c

366337A1

SEAL KIT

Seal

1шт.

Not Illustrated

1шт.

7

366338A1

CYLINDER

Fork Tilt

1шт.

See Figure 8-50

1шт.

8

316196A1

BUSHING

2шт.

9

316993A1

SPHERICAL BEARING

2шт.

10

REF

INSTRUCTION

Boom Assy, Telescopic

1шт.

See Figures 9-30 - 9-36

1шт.

11

219-1

LUBE NIPPLE,1/8" - 27 NPTF

10шт.

12

219-55

LUBE NIPPLE,90 Degree Elbow, 1/8" - 27 NPTF

2шт.

13

363682A1

SCREW

8шт.

14

310379A1

BRACKET

8шт.

15

100-1175

SNAP RING,#75, Ext

16шт.

16

363683A1

WASHER

2шт.

Выбрано товаров: 34