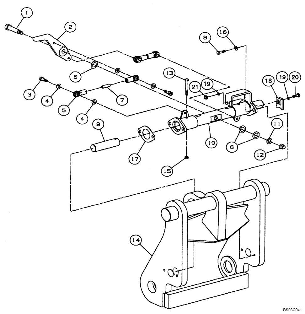
Запчасти Case 688G (9-42A) - QUICK ATTACH APRON (ASN 686GXR JFE0001847; 688G JFE0003612) (09) - CHASSIS/ATTACHMENTS

Схема запчастей Case 688G - (9-42A) - QUICK ATTACH APRON (ASN 686GXR JFE0001847; 688G JFE0003612) (09) - CHASSIS/ATTACHMENTS
11
1
6
14
3
21
19
8
20
17
4
13
19
6
16
2
7
4
5
9
15
12
10
18
FIT
1:1
100%

Артикул

Название

Примечание

Количество

86990811

APRON

Quick Attach

1шт.

Incl. 1 - 21

1шт.

1

561-705

HEX SOC SCREW,M12 x 82.4, 16 x 60mm shldr, Cl 12.9

M12 x 60

1шт.

2

317179A1

HANDLE

1шт.

3

561-703

HEX SOC SCREW,M8 x 32.4, 10 x 16mm shldr, Cl 12.9

4шт.

4

430112A1

SPECIAL WASHER

11 x 20 x 2 mm

8шт.

5

317091A1

END

Rod, Threaded

4шт.

6

317914A1

WASHER

3шт.

7

87417928

ROD

Rod, Threaded

2шт.

8

614-8030

BOLT,Hex, M8 x 1.25 x 30mm, Cl 8.8, Full Thd

4шт.

9

317090A1

PIN

2шт.

10

87417929

HANDLE

Handle

1шт.

11

388711A1

WASHER

1шт.

12

829-1412

NUT,M12, Cl 10.9

1шт.

13

614-8065

BOLT,Hex, M8 x 1.25 x 65mm, Cl 8.8, Full Thd

M8 x 65

2шт.

14

87417930

APRON

Apron, Quick Attach

1шт.

15

829-1408

NUT,Hex, M8 x 1.25, Cl 10.9

2шт.

16

449889A1

WASHER

4шт.

Not Illustrated

1шт.

17

365321A1

SHIM

1шт.

18

87417910

PAD

If Used

1шт.

19

87417938

WASHER

Washer

4шт.

20

336866A1

SCREW

2шт.

21

832-10404

NUT,M4 x 0.7, Cl 8.8

2шт.

Выбрано товаров: 24