Запчасти Case 689G (08-42) - CARRIAGE ROTATION HYDRAULICS (08) - HYDRAULICS

Схема запчастей Case 689G - (08-42) - CARRIAGE ROTATION HYDRAULICS (08) - HYDRAULICS
11
14
11
21
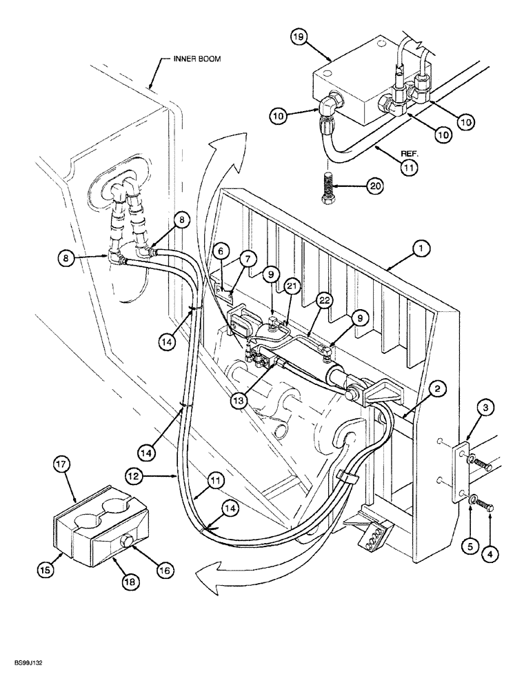
1
5
10
19
10
14
12
2
9
13
8
4
18
17
15
16
9
20
3
8
6
14
22
10
7
FIT
1:1
100%

Артикул

Название

Примечание

Количество

1

309267A1

SUPPORT ASSY.

FRAME carriage, quick attach, with side tilt, 1219 mm (48 inch) wide

1шт.

2

309342A1

PIN

ARM carriage, 1219 mm (48 inch) wide

2шт.

3

310107A1

PLATE

carriage

2шт.

4

426-620

BOLT,Hex, 3/8" - 16 x 1-1/4", Gr 8

4шт.

5

492-11038

LOCK WASHER,3/8"

4шт.

6

NSS

NOT SOLD SEPARAT

DECAL nameplate, Quick-attach Carriage

1шт.

7

301-1424

DRIVE SCREW,Drive, #4 x 1/4"

drive, round head, No. 4 x 1/4 inch

2шт.

8

317792A1

ADAPTER

straight

2шт.

9

2185103

SCREW

ELBOW, 90°, 7/16-20 inch flare x adj O-ring boss

3шт.

10

218-5283

ELBOW,90 Degree, 7/16"-20, 37 Degree x 9/16"-18, O-Ring

90°, 7/16-20 flare x 9/16-18 inch adj O-ring boss

3шт.

11

309348A1

HOSE

hydraulic, carriage rotation

1шт.

12

309343A1

HOSE

hydraulic, carriage rotation

1шт.

13

218-5089

HYD CONNECTOR,7/16" - 20 Male JIC x 9/16" - 18 Male ORB

Straight, O-ring boss

1шт.

14

356720A1

STRAP

tie

3шт.

15

310083A1

CLAMP

hose

2шт.

16

426-416

BOLT,Hex, 1/4" - 20 x 1", Gr 8

1шт.

17

309124A1

COVER

PLATE support

1шт.

18

309120A1

COVER

hose retaining

1шт.

19

309283A1

VALVE

counterbalance, Includes: Ref. 19A and 19B

1шт.

19a

348275A1

VALVE, PRESSURE RELI

EF relief

2шт.

19b

348276A1

SEAL KIT

seal, valve

1шт.

20

426-424

BOLT,Hex, 1/4" - 20 x 1-1/2", Gr 8

hex 1/4 NC x 1-1/2 inch, grades

2шт.

21

309345A1

HYD TUBE

hydraulic

1шт.

22

309347A1

HYD TUBE

hydraulic

1шт.

23

309940A1

COUPLING

hydraulic, not shown

1шт.

24

309939A1

COUPLING

hydraulic, not shown

1шт.

25

309938A1

PROTECTIVE COVER

dust, hose, not shown

2шт.

Выбрано товаров: 27