Запчасти Case 689G (08-54) - JOYSTICK CONTROL VALVE - BOOM (08) - HYDRAULICS

Схема запчастей Case 689G - (08-54) - JOYSTICK CONTROL VALVE - BOOM (08) - HYDRAULICS
4
10
1
9
7
8
6
1
3
5
2
FIT
1:1
100%

Артикул

Название

Примечание

Количество

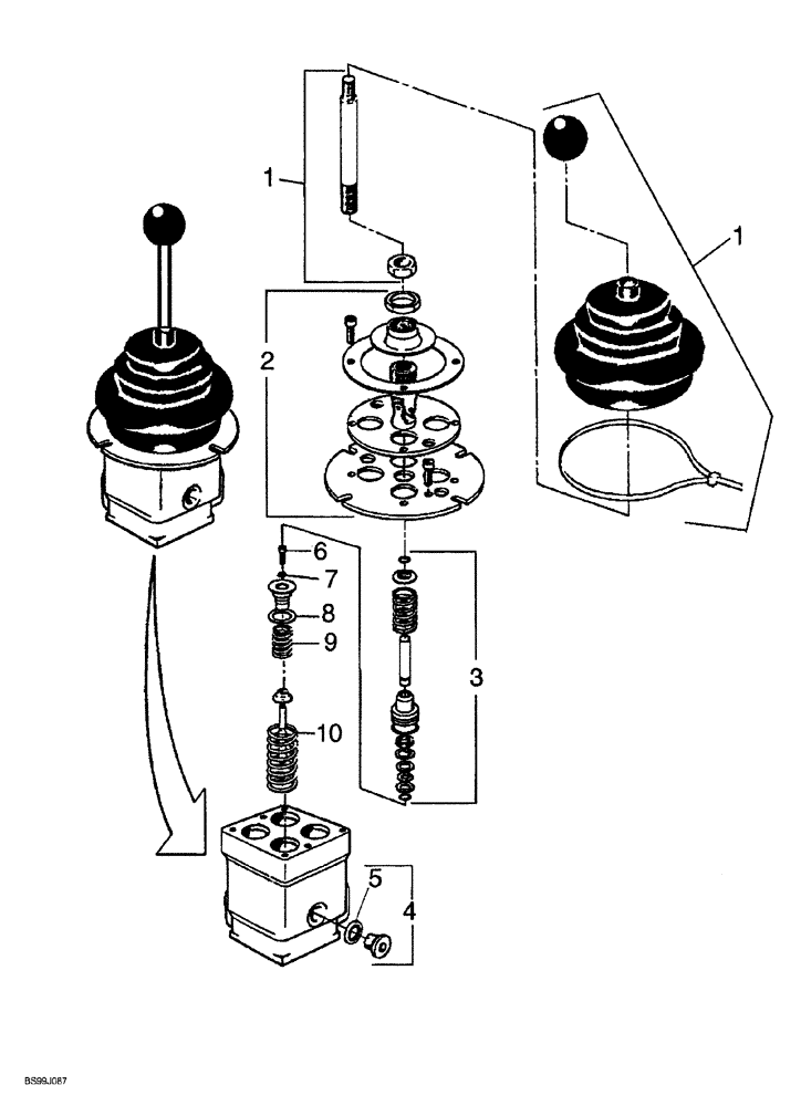
372402A1

CONTROL

VALVE ASSEMBLY, joystick, boom, Includes: Ref. 1 - 10

1шт.

1

309382A1

LEVER ASSY.

control

1шт.

2

309383A1

PLATE

mounting

1шт.

3

309390A1

KIT

pin, control, C0

2шт.

3

372442A1

KIT

pin, control, C6, Includes: Ref. 3A

2шт.

3a

372443A1

SEAL KIT

seal, pin, not shown

1шт.

4

309384A1

KIT

plug, Includes: Ref. 5

1шт.

5

309405A1

O-RING

plug

2шт.

6

309389A1

SCREW

guide

4шт.

7

309388A1

WASHER

special

4шт.

8

309387A1

SPACER

spring, rocker

4шт.

9

309386A1

SPRING

valve

4шт.

10

309385A1

SPRING

return, adjusting

4шт.

Выбрано товаров: 13