Запчасти Case 689G (08-60) - EQUIPMENT AND STEERING PUMP (08) - HYDRAULICS

Схема запчастей Case 689G - (08-60) - EQUIPMENT AND STEERING PUMP (08) - HYDRAULICS
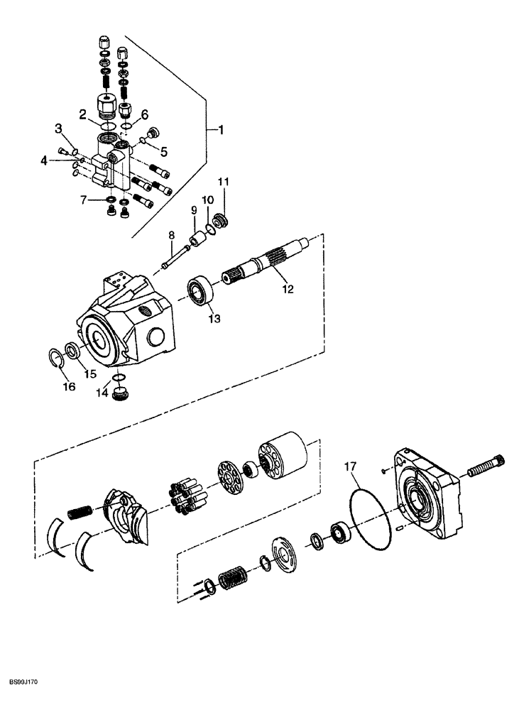
10
9
8
6
15
5
1
17
11
14
16
7
2
12
4
13
3
FIT
1:1
100%

Артикул

Название

Примечание

Количество

355715A1

PUMP, HYDRAULIC

ASSEMBLY, Includes: Ref. 1 - 17

1шт.

1

316670A1

PUMP

CONTROL ASSEMBLY, Includes: Ref. 2 - 7

1шт.

2

355703A1

O-RING

plug

2шт.

3

355704A1

O-RING

valve port

2шт.

4

309134A1

O-RING

plug

4шт.

5

309208A1

O-RING

plug

2шт.

6

355705A1

O-RING

plug

1шт.

7

355712A1

RING

plug

3шт.

8

316680A1

ROD

piston

1шт.

9

316679A1

PISTON

pump

2шт.

10

355707A1

O-RING

plug

2шт.

11

316678A1

PLUG

piston port

4шт.

12

316677A1

SHAFT

drive

1шт.

13

355706A1

TAPERED BEARING

roller

1шт.

14

355709A1

O-RING

plug

1шт.

15

355708A1

SEAL

shaft

1шт.

16

316681A1

RING

V-type

1шт.

17

355711A1

O-RING

end cover

1шт.

Выбрано товаров: 0