Запчасти Case 689G (04-38) - CAB DEFROSTER (09) - CHASSIS

Схема запчастей Case 689G - (04-38) - CAB DEFROSTER (09) - CHASSIS
5
6
8
14
7
1
1
12
2
9
15
10
4
11
3
FIT
1:1
100%

Артикул

Название

Примечание

Количество

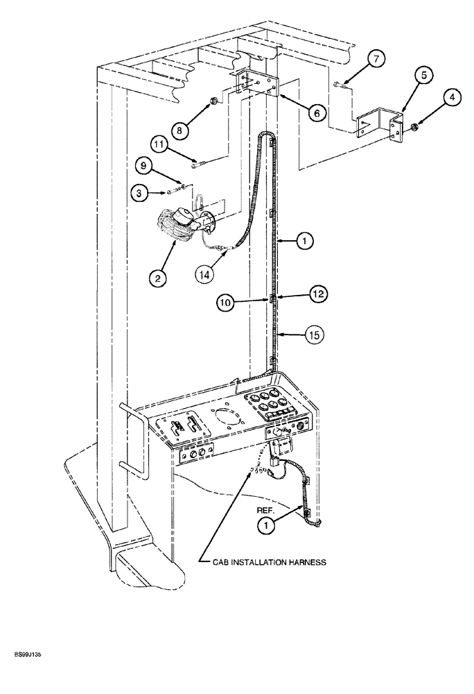
1

309880A1

HARNESS

wire

1шт.

2

309876A1

FAN

ASSEMBLY defroster, Includes: Ref. 2A

1шт.

2a

310312A1

DEFROSTER

FAN ASSEMBLY, not shown parts list Figure 4-50

1шт.

3

317802A1

SCREW

machine, 12 point, No. 10 NC x 3/4 inch

3шт.

4

309914A1

LOCK NUT

hex

3шт.

5

309871A1

BRACKET

fan mounting

1шт.

6

309870A1

BRACKET

fan mounting

1шт.

7

309935A1

BOLT

hex, self-locking, 1/4 NC x 3/4 inch

2шт.

8

309941A1

LOCK NUT

hex, 1/4 inch NC

2шт.

9

495-31022

WASHER,#10

4шт.

10

310040A1

ADHESIVE

BLOCK mounting

6шт.

11

317802A1

SCREW

machine, 12 point, No. 10 NC x 3/4 inch

1шт.

12

314799A1

FASTENER

STRAP tie

6шт.

13

309903A1

FUSE

10 amp, not shown

1шт.

14

310299A1

TERMINAL CONNECTOR

electrical

1шт.

15

A181759

CONDUIT

convoluted

1шт.

Выбрано товаров: 16