Запчасти Case 689G (04-42) - CAB REAR WIPER (09) - CHASSIS

Схема запчастей Case 689G - (04-42) - CAB REAR WIPER (09) - CHASSIS
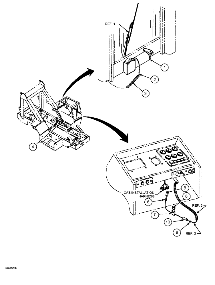
6
1
9
3
5
4
10
2
7
8
FIT
1:1
100%

Артикул

Название

Примечание

Количество

1

310306A1

WIPER

ASSEMBLY rear, Includes: Ref. 1A, 1B, 1C, 1D and 1E

1шт.

1a

309419A1

WIPER MOTOR

MOTOR, WIPER not shown

1шт.

1b

309304A1

WIPER BLADE

BLADE, WIPER not shown

1шт.

1c

309306A1

WIPER ARM

ARM, WIPER not shown

1шт.

1d

309310A1

WASHER

flat, not shown

1шт.

1e

309312A1

WASHER

flat, not shown

1шт.

2

310308A1

HARNESS

WIRE wiper motor

1шт.

3

319080A1

GUARD

wire, wiper motor

1шт.

4

317795A1

STRAP

tie

5шт.

5

309907A1

CONNECTOR, ELEC

CONNECTOR electrical

6шт.

6

309908A1

CONNECTOR, ELEC

CONNECTOR electrical

1шт.

7

310304A1

AXLE PIN

HOLDER fuse

1шт.

8

310402A1

FUSE

5 amp

1шт.

9

REF

INSTRUCTION

CLIP wire

1шт.

10

REF

INSTRUCTION

TUBE shrink, wire

1шт.

Выбрано товаров: 0