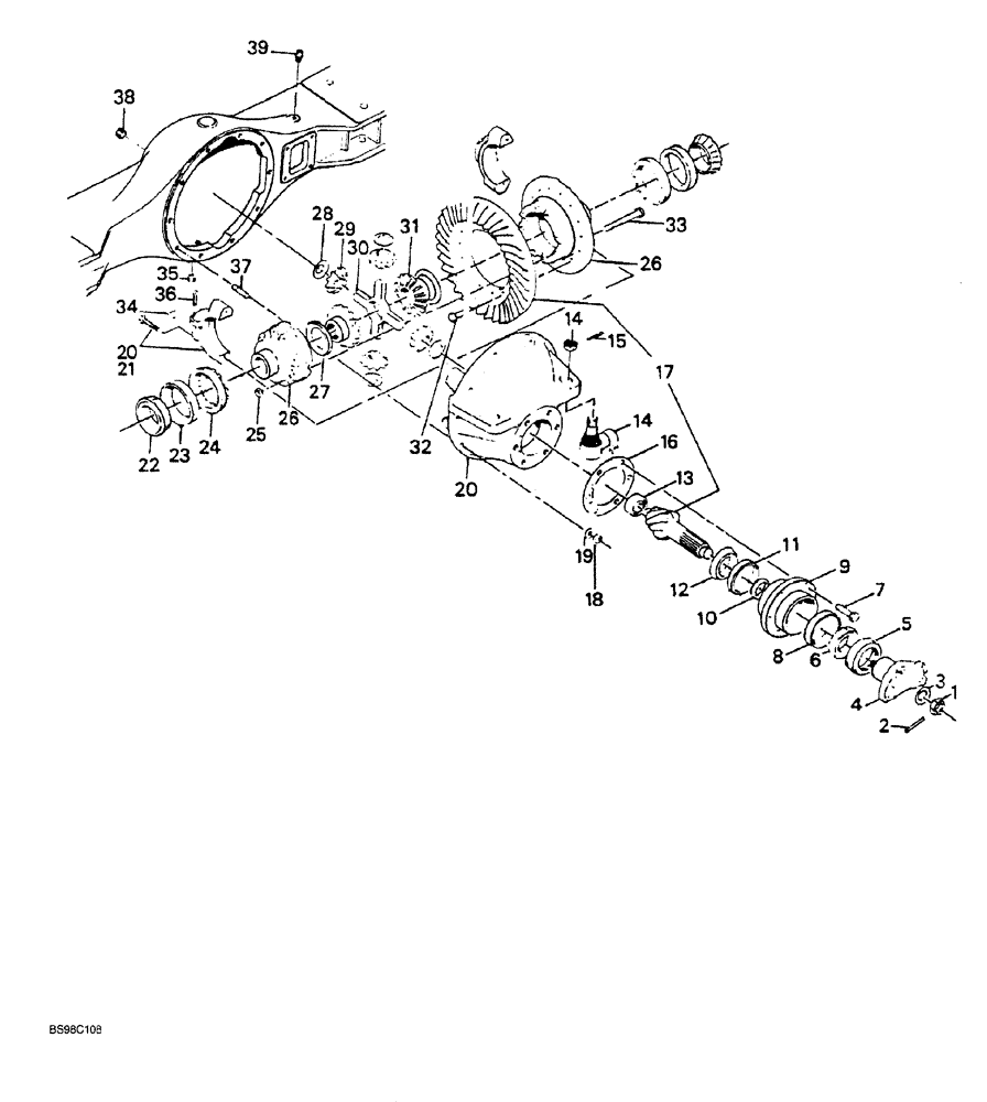
Запчасти Case 689G (06-16) - FRONT AND REAR AXLE, CARRIER ASSEMBLY (09) - CHASSIS

Схема запчастей Case 689G - (06-16) - FRONT AND REAR AXLE, CARRIER ASSEMBLY (09) - CHASSIS
14
35
20
15
30
25
13
31
26
20
16
37
23
14
26
18
6
19
33
22
39
2
32
7
36
3
21
4
8
11
27
34
9
38
10
17
12
24
5
28
1
29
FIT
1:1
100%

Артикул

Название

Примечание

Количество

309881A1

CENTER AXLE

ASSEMBLY drive, parts list Figures 6-16 thru 6-26, Includes: Ref. 1 - 39 and carrier assy.

2шт.

316788A1

CARRIER

ASSEMBLY axle, parts list Figures 6-16 and 6-18, Includes: Ref. 1 - 39

1шт.

1

316789A1

NUT

pinion

1шт.

2

316790A1

PIN

cotter

1шт.

3

316792A1

YOKE

UNIVERSAL JOINT YOKE WASHER flat

1шт.

4

316793A1

COVER

YOKE flanged

1шт.

5

313694A1

OIL SEAL

1шт.

6

316795A1

ROLLER BEARING

tapered roller bearing

6шт.

7

316796A1

BOLT

hex

1шт.

8

316797A1

BEARING CUP

tapered roller bearing

1шт.

9

316798A1

RETAINER

bearing

1шт.

10

316799A1

SPACER

pinion bearing, 0.5135 inch thick

1шт.

10

316800A1

SPACER

pinion bearing, 0.5165 inch thick

1шт.

lo

316801A1

SPACER

pinion bearing, 0.5195 inch thick

1шт.

10

316802A1

SPACER

pinion bearing, 0.5225 inch thick

1шт.

10

316803A1

SPACER

pinion bearing, 0.5245 inch thick

1шт.

10

316804A1

SPACER

pinion bearing, 0.5255 inch thick

1шт.

10

316805A1

SPACER

pinion bearing, 0.5265 inch thick

1шт.

10

316806A1

SPACER

pinion bearing, 0.5275 inch thick

1шт.

10

316808A1

SPACER

pinion bearing, 0.5285 inch thick

1шт.

10

316809A1

SPACER

pinion bearing, 0.5295 inch thick

1шт.

10

316810A1

SPACER

pinion bearing, 0.5305 inch thick

1шт.

10

316811A1

SPACER

pinion bearing, 0.5315 inch thick

1шт.

10

316812A1

SPACER

pinion bearing, 0.5325 inch thick

1шт.

10

316813A1

SPACER

pinion bearing, 0.5335 inch thick

1шт.

10

316814A1

SPACER

pinion bearing, 0.5345 inch thick

1шт.

10

316815A1

SPACER

pinion bearing, 0.5355 inch thick

1шт.

10

316816A1

SPACER

pinion bearing, 0.5375 inch thick

1шт.

10

316817A1

SPACER

pinion bearing, 0.5395 inch thick

1шт.

10

316818A1

SPACER

pinion bearing, 0.5405 inch thick

1шт.

10

316819A1

SPACER

pinion bearing, 0.5435 inch thick

1шт.

10

316820A1

SPACER

pinion bearing, 0.5485 inch thick

1шт.

11

316797A1

BEARING CUP

tapered roller bearing

1шт.

12

316795A1

ROLLER BEARING

tapered roller bearing

1шт.

13

316821A1

BEARING ASSY

roller

1шт.

14

316822A1

JOINT

tie rod

1шт.

15

316790A1

PIN

cotter

1шт.

16

316823A1

SHIM

pinion bearing retainer, 0.10 inch thick

1шт.

16

316824A1

SHIM

pinion bearing retainer, 0.030 inch thick

1шт.

16

316825A1

SHIM

pinion bearing retainer, 0.005 inch thick

1шт.

17

316826A1

GEAR-SET

ring and pinion

1шт.

18

316827A1

LOCK NUT

hex, lock

10шт.

19

316828A1

WASHER

flat

10шт.

316829A1

CARRIER

ASSEMBLY axle, with caps, Includes: Ref. 20 and 21

1шт.

20

NSS

NOT SOLD SEPARAT

CARRIER axle, with caps

1шт.

21

NSS

NOT SOLD SEPARAT

BOLT cap retaining

2шт.

22

316830A1

RING

adjusting

2шт.

23

316797A1

BEARING CUP

tapered roller bearing

2шт.

24

316831A1

ROLLER BEARING

tapered roller bearing

2шт.

25

NSS

NOT SOLD SEPARAT

NUT hex

8шт.

26

316832A1

CASE ASSY.

differential

1шт.

27

316833A1

THRUST WASHER

thrust

2шт.

28

316834A1

THRUST WASHER

thrust

4шт.

29

316836A1

PINION

differential

4шт.

30

316837A1

SHAFT

differential

1шт.

31

316838A1

GEAR

differential

2шт.

32

316839A1

RIVET

ring, Serial Range: gear-case

14шт.

33

316840A1

BOLT

hex

8шт.

34

316841A1

RING

bearing adjuster

2шт.

35

316842A1

PLUG

drain, magnetic

1шт.

36

316843A1

PIN

cotter

2шт.

37

316844A1

STUD

carrier mounting, 2 inch long

6шт.

37

316845A1

STUD

carrier mounting, 3/8 inch long

2шт.

37

316846A1

STUD

carrier mounting,13/16 inch long

2шт.

38

316847A1

PLUG

hex socket

1шт.

39

316848A1

VENT

breather

1шт.

Выбрано товаров: 66