Запчасти Case 689G (09-02) - FRAME, HOOD AND COVERS (09) - CHASSIS

Схема запчастей Case 689G - (09-02) - FRAME, HOOD AND COVERS (09) - CHASSIS
14
30
21
22
34
31
23
26
25
42
41
2
27
28
28
17
26
8
33
10
12
23
26
22
1
29
15
38
25
17
13
25
10
32
10
28
4
FIT
1:1
100%

Артикул

Название

Примечание

Количество

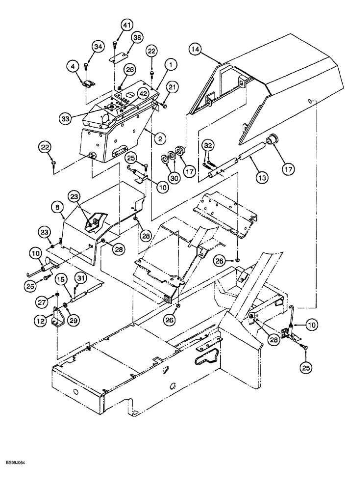
1

309872A1

PLATE

console top

1шт.

2

309245A1

PLATE

console side

1шт.

4

309248A1

PLATE

COVER access, console top

1шт.

8

309255A1

HOOD

front

1шт.

10

310090A1

LATCH

hood

4шт.

12

310122A1

BRACKET

hood support

1шт.

13

310124A1

ROD

hood

2шт.

14

310126A1

HOOD

engine cover

1шт.

15

310327A1

ROD

hood

1шт.

17

310362A1

BUSHING

rod

4шт.

21

310366A1

BOLT

Ferry head

8шт.

22

310363A1

BOLT

Ferry head, special

5шт.

23

310272A1

GROMMET

2шт.

25

310007A1

SCREW

self locking

8шт.

26

310000A1

LOCK NUT

hex, 3/8 inch NC

1шт.

27

309986A1

LOCK NUT

hex, 5/16 inch NC

6шт.

28

309941A1

LOCK NUT

hex, 1/4 inch NC

8шт.

29

495-11106

WASHER,1", SAE

(1-1/16 x 2 x 1/8")

1шт.

30

495-11081

WASHER,3/4", SAE

4шт.

31

432-820

COTTER PIN,1/8" x 1 1/4"

1шт.

32

432-816

COTTER PIN,1/8" x 1"

4шт.

33

309941A1

LOCK NUT

hex, 1/4 inch NC

2шт.

34

309935A1

BOLT

hex, self locking, 1/4 NC x 3/4 inch

2шт.

35

495-21044

WASHER,3/8"

(flat, 7/16 x 1 x 5/64 inch)

2шт.

38

349032A1

PLATE

cover

2шт.

41

309935A1

BOLT

hex, self-locking, 1/4 NC x 3/4 inch

4шт.

42

309941A1

LOCK NUT

hex, 1/4 inch NC

4шт.

50

310171A1

FRAME

main

1шт.

Выбрано товаров: 28