Качественные детали и логистика
Оригинальные и аналоговые запчасти с доставкой по России, Казахстану и Беларуси
©2022 PartSell ООО "Система" ИНН 2463123282 ОГРН 1212400004838
Центральный офис: г. Красноярск, Академика Киренского, д.87, пом.4
Телефон: 8 (800) 777-65-74 Email: zakaz@partsell.ru
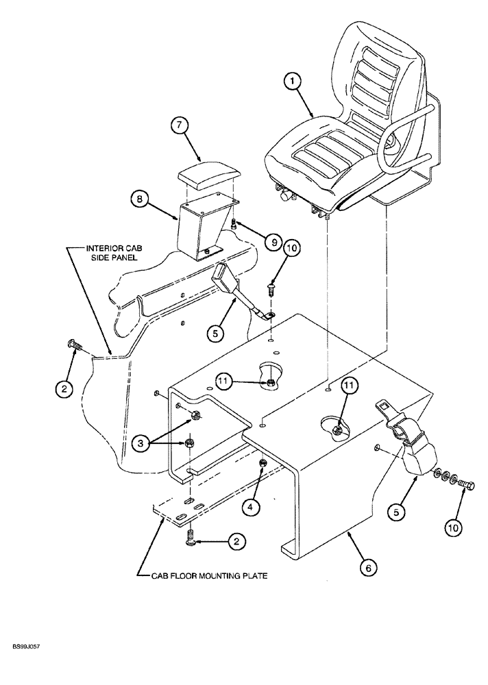
(09-08) - SEAT MOUNTING AND BELTS
№
Артикул
Название
Примечание
Количество
1
REF
INSTRUCTION
SEAT ASSEMBLY operators, parts list Figure 9-10
1шт.
2
310363A1
BOLT
Ferry head, special
6шт.
3
310000A1
LOCK NUT
hex, 3/8 inch NC
4
310382A1
hex, 5/16 inch NC
4шт.
5
309271A1
SAFETY BELT
2 piece
6
309246A1
PLATE
seat mounting
7
309926A1
ARMREST
operator
8
309933A1
PAD
control
9
309928A1
SCREW
lock
10
309935A1
hex, self locking, 1/4 NC x 3/4 inch
2шт.
11
231-1444
NUT,1/4"-20, GB
Выбрано товаров: 0