Запчасти Case 689G (09-14) - BOOM ASSEMBLY AND CYLINDERS (09) - CHASSIS

Схема запчастей Case 689G - (09-14) - BOOM ASSEMBLY AND CYLINDERS (09) - CHASSIS
3
26
29
2
18
16
13
31
25
20
17
10
22
29
12
9
15
27
29
26
11
14
24
26
14
28
26
20
26
5
19
8
16
6
30
7
26
15
18
29
19
29
30
1
4
26
23
28
17
21
FIT
1:1
100%

Артикул

Название

Примечание

Количество

1

REF

INSTRUCTION

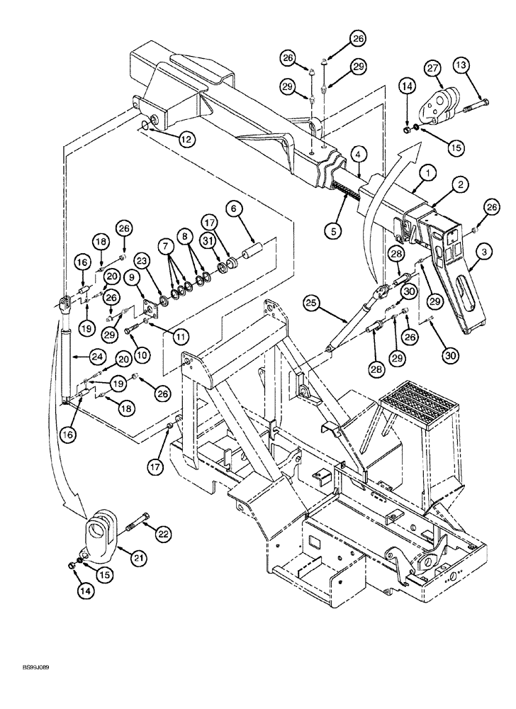
BOOM ASSEMBLY outer, parts list Figure 9-16

1шт.

2

REF

INSTRUCTION

BOOM ASSEMBLY intermediate, parts list Figure 9-18

1шт.

3

REF

INSTRUCTION

BOOM ASSEMBLY inner, parts list Figure 9-20

1шт.

4

REF

INSTRUCTION

CYLINDER ASSEMBLY telescopic crowd, parts list Figure 9-22

1шт.

5

REF

INSTRUCTION

CHAIN ASSEMBLY boom, parts list Figures 9-24 and 9-26

1шт.

6

314066A1

PIN

, Serial Range: boom-frame

2шт.

7

314065A1

THRUST WASHER

2шт.

8

314031A1

THRUST WASHER

5шт.

9

318211A1

PLATE

keeper

2шт.

10

426-1028

BOLT,Hex, 5/8" - 11 x 1-3/4", Gr 8

8шт.

11

492-11062

BEARING WASHER,5/8"

1шт.

12

314095A1

SEALING RING

SEALRING

2шт.

13

426-844

BOLT,Hex, 1/2" - 13 x 2-3/4", Gr 8

2шт.

14

309905A1

NUT

hex, 1/2 inch NC

4шт.

15

80679

LOCK WASHER,1/20.507 CST ZND

4шт.

16

314068A1

PIN

compensating cylinder to frame and boom

4шт.

17

314030A1

BUSHING

boom and cylinder mounting at frame

4шт.

18

219-8

LUBE NIPPLE,1/4" - 28 NPTF

4шт.

19

310379A1

BRACKET

RETAINER clevis pin

1шт.

20

426-820

BOLT,Hex, 1/2" - 13 x 1-1/4", Gr 8

4шт.

2i

314067A1

ROD

CLEVIS end

2шт.

22

426-836

BOLT,Hex, 1/2" - 13 x 2-1/4", Gr 8

2шт.

23

318212A1

SPACER

at boom mounting pin

2шт.

24

361850A1

CYLINDER

ASSEMBLY compensation, Includes: Ref. 24A and 24B

2шт.

24a

373363A1

LOCK NUT

hex, special

1шт.

24b

314023A1

SEAL KIT

cylinder seal repair

1шт.

25

313413A1

CYLINDER

ASSEMBLY boom lift, Includes: Ref. 25A and 25B

2шт.

25a

373364A1

VALVE

counterbalance

2шт.

25b

313400A1

SEAL KIT

seal

1шт.

26

373365A1

CAP

grease fitting

11шт.

27

318210A1

YOKE

UNIVERSAL JOINT YOKE cylinder rod

2шт.

28

314043A1

PIN

boom lift cylinder mounting

4шт.

29

219-1

LUBE NIPPLE,1/8" - 27 NPTF

6шт.

30

310448A1

BOLT

hex flange, 3/8 NC x 3/4 inch

8шт.

31

314002A1

BEARING, BALL

pin

2шт.

Выбрано товаров: 35