Запчасти Case 689G (09-20) - INNER BOOM ASSEMBLY (09) - CHASSIS

Схема запчастей Case 689G - (09-20) - INNER BOOM ASSEMBLY (09) - CHASSIS
17
18
14
2
8
8
3
16
19
4
9
11
6
5
9
8
15
4
19
7
1
12
10
10
8
3
13
FIT
1:1
100%

Артикул

Название

Примечание

Количество

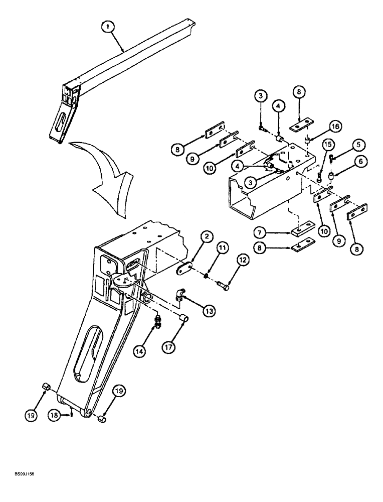
1

315640A1

BOOM

narrow tip

1шт.

2

339712A1

PLATE

cover

2шт.

3

428-1028

BOLT,Hex, 5/8" - 18 x 1-3/4", Gr 8

hex, 5/8 NF x 1-3/4 inch, grade 8

4шт.

4

339713A1

COLLAR

compression

4шт.

5

462-36224

HEX SOC SCREW,5/8"-18 x 1 1/2"

hex socket, 5/8 NF x 1-1/2 inch

4шт.

6

314064A1

COLLAR

compression 1.170 inch long

4шт.

7

314060A1

SHIM

1/2 inch

2шт.

8

314049A1

SHOE

wear

6шт.

9

314059A1

SHIM

1/16 inch

20шт.

10

314061A1

SHIM

1/32 inch

4шт.

11

896-11008

WASHER,9mm ID x 17mm OD x 2mm Thk

hardened flat, 9 x 17 x 2 mm

4шт.

12

614-8030

BOLT,Hex, M8 x 1.25 x 30mm, Cl 8.8, Full Thd

4шт.

13

218-5230

ELBOW,90 Degree, 3/4"-16, 37 Degree x 3/4"-16, 37 Degree Fem Sw

2шт.

14

317794A1

UNION

hydraulic

2шт.

15

428-1028

BOLT,Hex, 5/8" - 18 x 1-3/4", Gr 8

hex, 5/8 NF x 1-3/4 inch, grade 8

4шт.

16

314063A1

COLLAR

compression, 0.920 inch long

4шт.

17

314029A1

BUSHING

inner boom

1шт.

18

219-1

LUBE NIPPLE,1/8" - 27 NPTF

1шт.

19

314058A1

BALL BEARING

inner boom

2шт.

Выбрано товаров: 19