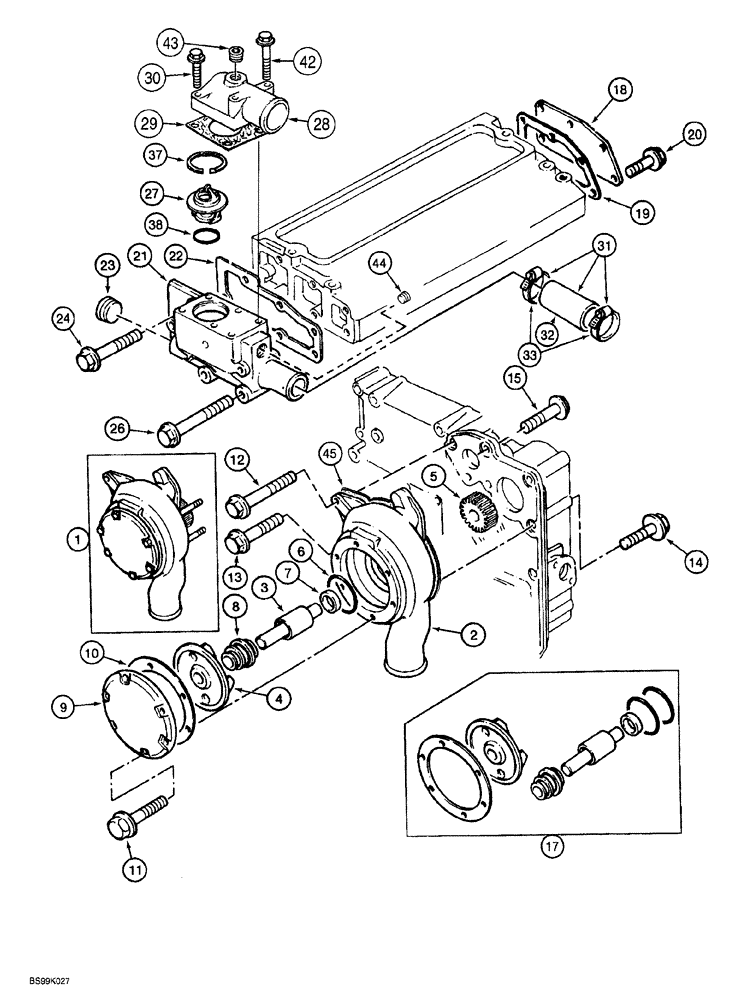
Запчасти Case 689G (02-12) - WATER PUMP SYSTEM AND THERMOSTAT (02) - ENGINE

Схема запчастей Case 689G - (02-12) - WATER PUMP SYSTEM AND THERMOSTAT (02) - ENGINE
18
32
14
43
10
9
37
26
21
5
15
1
3
20
11
31
30
24
29
19
45
38
2
23
28
12
22
7
4
33
13
17
42
44
6
27
8
FIT
1:1
100%

Артикул

Название

Примечание

Количество

1

367238A1

PUMP

ASSEMBLY water, Includes: Ref 2 thru 11 and 45 below, see Ref 17 below for service kit

1шт.

2

NSS

NOT SOLD SEPARAT

BODY pump

1шт.

Part of Water Pump Assembly, P/N 367238A1

1шт.

3

NSS

NOT SOLD SEPARAT

SHAFT pump

1шт.

Part of Water Pump Assembly, P/N 367238A1

1шт.

4

NSS

NOT SOLD SEPARAT

IMPELLER pump

1шт.

Part of Water Pump Assembly, P/N 367238A1

1шт.

5

NSS

NOT SOLD SEPARAT

GEAR pump

1шт.

Part of Water Pump Assembly, P/N 367238A1

1шт.

6

NSS

NOT SOLD SEPARAT

SEAL housing

1шт.

Part of Water Pump Assembly, P/N 367238A1

1шт.

7

NSS

NOT SOLD SEPARAT

SEAL shaft

1шт.

Part of Water Pump Assembly, P/N 367238A1

1шт.

8

NSS

NOT SOLD SEPARAT

SEAL mpeller

1шт.

Part of Water Pump Assembly, P/N 367238A1

1шт.

9

NSS

NOT SOLD SEPARAT

COVER pump

1шт.

Part of Water Pump Assembly, P/N 367238A1

1шт.

10

NSS

NOT SOLD SEPARAT

GASKET cover

1шт.

Part of Water Pump Assembly, P/N 367238A1

1шт.

11

NSS

NOT SOLD SEPARAT

BOLT hex, flanged

6шт.

Part of Water Pump Assembly, P/N 367238A1

1шт.

12

218571A1

SCREW

hex flange

3шт.

13

218021A1

SCREW

hex flange

3шт.

14

285433A1

SCREW

hex flange

2шт.

15

218391A1

SCREW

hex flange

1шт.

17

318017A1

KIT

repair, water pump, for service of water pumps with Perkins number U5MW0154 or U5MW0164

1шт.

18

314698A1

COVER

cylinder head

1шт.

19

293191A1

GASKET

cover

1шт.

20

844-8016

BOLT,Hex, M8 x 16mm, Cl 8.8

6шт.

21

314699A1

HOUSING

thermostat

1шт.

22

314700A1

GASKET

thermostat housing

1шт.

23

REF

INSTRUCTION

PLUG hex socket

1шт.

24

218559A1

SCREW

hex flange

3шт.

26

844-8045

BOLT,Hvy Hex, M8 x 45mm, Cl 8.8

Heavy

3шт.

27

314701A1

THERMOSTAT

water, engine

1шт.

28

314758A1

MANIFOLD

water

1шт.

29

314759A1

GASKET

water manifold

1шт.

30

293517A1

SCREW

hex flange

2шт.

31

314702A1

KIT

hose, at thermostat housing, Includes: Ref. 32 and 33

1шт.

32

NSS

NOT SOLD SEPARAT

HOSE at thermostat housing

1шт.

33

293003A1

CLAMP

hose

2шт.

37

314703A1

RING, SNAP

RING SNAP thermostat retaining

1шт.

38

314704A1

O-RING

, Serial Range: thermostat-housing

1шт.

42

844-8020

BOLT,Hvy Hex, M8 x 20mm, Cl 8.8

2шт.

43

218558A1

PLUG

hex socket

1шт.

44

221-667

DRAIN PLUG,Hex Soc, 1/2" NPT

square socket, magnetic, 1/2 inch PT

1шт.

45

314705A1

SEAL

water pump

1шт.

Выбрано товаров: 47