Запчасти Case 689G (03-10) - BOOST PRESSURE AIR LINES (03) - FUEL SYSTEM

Схема запчастей Case 689G - (03-10) - BOOST PRESSURE AIR LINES (03) - FUEL SYSTEM
30
8
1
2
6
25
10
34
7
20
13
11
7
7
5
23
1
24
32
21
3
12
9
4
22
FIT
1:1
100%

Артикул

Название

Примечание

Количество

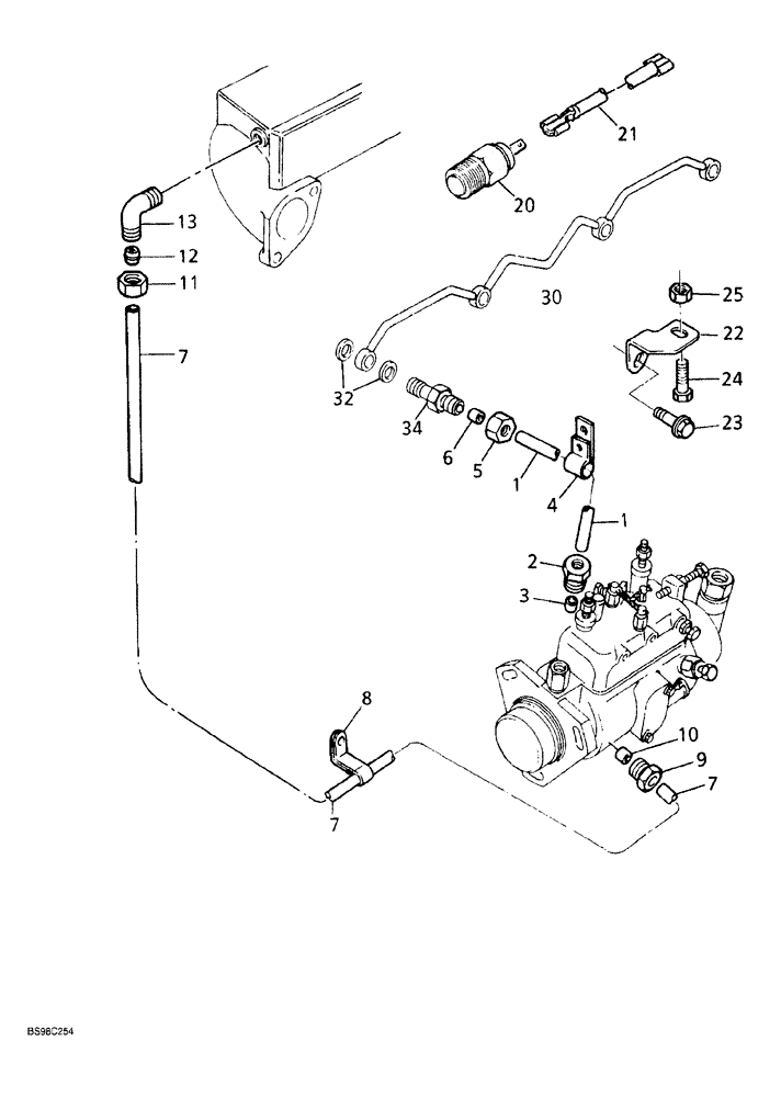
293174A1

TUBE,4.76 mm OD, 197, 169 mm Length

ASSEMBLY fuel, Includes: Ref. 1 - 3

1шт.

1

NSS

NOT SOLD SEPARAT

TUBE fuel

1шт.

2

218343A1

TUBE NUT

FITTING straight, tube compression

1шт.

3

218514A1

RUBBER SEAL

SLEEVE compression

1шт.

4

218680A1

CLAMP

tube

1шт.

5

3107230R1

NUT

compression, tube

1шт.

6

3107231R1

SEALING RING

SEALRING SLEEVE compression

1шт.

314666A1

TUBE

injection intake air, Includes: Ref. 7 - 10

1шт.

7

NSS

NOT SOLD SEPARAT

TUBE air

1шт.

8

218680A1

CLAMP

tube

1шт.

9

218343A1

TUBE NUT

FITTING straight, tube compression

1шт.

10

218514A1

RUBBER SEAL

SLEEVE compression

1шт.

11

F62325

NUT

compression, tube

1шт.

12

F62314

OLIVE

SLEEVE compression

1шт.

13

218683A1

ELBOW

90°

1шт.

20

348994A1

TRANSMITTER

SENDER fuel, was 295972A1

1шт.

21

314667A1

CABLE

WIRE jumper, fuel sender

1шт.

22

293148A1

SUPPORT

BRACKET support

1шт.

23

844-8020

BOLT,Hvy Hex, M8 x 20mm, Cl 8.8

1шт.

24

844-10020

BOLT,Hvy Hex, M10 x 20mm, Cl 8.8

1шт.

25

217946A1

NUT

hex flange

1шт.

30

293144A1

PIPE

fuel return

1шт.

32

295973A1

WASHER

GASKET vent screw

2шт.

34

295974A1

FITTING

straight

1шт.

Выбрано товаров: 0