Запчасти Case 689G (04-04) - INSTRUMENT PANEL INSTALLATION (04) - ELECTRICAL SYSTEMS

Схема запчастей Case 689G - (04-04) - INSTRUMENT PANEL INSTALLATION (04) - ELECTRICAL SYSTEMS
9
7
14
19
5
6
15
17
1
3
13
16
14
11
15
9
14
12
14
10
8
18
4
15
2
FIT
1:1
100%

Артикул

Название

Примечание

Количество

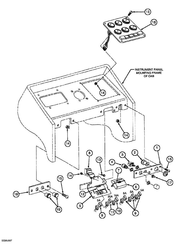
1

309263A1

PLATE

switch, instrument panel

1шт.

2

310092A1

IGNITION SWITCH

Includes: Ref. 2A

1шт.

2a

310022A1

SET OF 2 KEYS

ignition switch, not shown

1шт.

3

310037A1

SWITCH

toggle

1шт.

4

310442A1

SWITCH

cold start

1шт.

5

310290A1

BRACKET

fuse

1шт.

6

310414A1

COVER

fuse

1шт.

7

310415A1

LATCH

cover

1шт.

8

310088A1

RELAY

horn

1шт.

9

310402A1

FUSE

5 amp

4шт.

10

309903A1

FUSE

10 amp

1шт.

11

309915A1

FUSE

20 amp

1шт.

12

310458A1

DECAL

fuse location

1шт.

13

309935A1

BOLT

hex, self locking, 1/4 NC x 3/4 inch

4шт.

14

309941A1

LOCK NUT

hex, self-locking, 1/4 inch NC

10шт.

15

61-72516

HEX SOC SCREW,Btn Hd, 1/4"-20 x 1"

hex socket, 1/4 NC x 1 inch

9шт.

16

REF

INSTRUCTION

PANEL gauge, see Figure 4-16

1шт.

17

309906A1

COVER

switch

1шт.

18

309863A1

PLATE

switch

1шт.

19

309999A1

PLUG

button

1шт.

Выбрано товаров: 20