Запчасти Case 689G (04-24) - OPTIONAL TURN SIGNAL AND FLASHER INSTALLATION (04) - ELECTRICAL SYSTEMS

Схема запчастей Case 689G - (04-24) - OPTIONAL TURN SIGNAL AND FLASHER INSTALLATION (04) - ELECTRICAL SYSTEMS
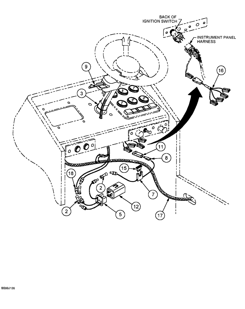
2
11
8
3
5
17
9
7
2
18
16
12
15
FIT
1:1
100%

Артикул

Название

Примечание

Количество

2

310474A1

CONNECTOR, ELEC

CONNECTOR wire, female

3шт.

3

314799A1

FASTENER

STRAP tie

10шт.

5

310012A1

PLUG

flasher

1шт.

7

310304A1

AXLE PIN

HOLDER fuse

1шт.

8

309908A1

CONNECTOR, ELEC

CONNECTOR electrical

1шт.

9

309350A1

SWITCH

flasher

1шт.

11

309907A1

CONNECTOR, ELEC

CONNECTOR electrical

1шт.

12

309534A1

LIGHT, WARNING

FLASHER signal

1шт.

15

309903A1

FUSE

10 amp

1шт.

16

339629A1

HARNESS

wiring

1шт.

17

339630A1

HARNESS

wiring, light

1шт.

18

339706A1

CONNECTOR, ELEC

CONNECTOR male, electrical

6шт.

Выбрано товаров: 12