Запчасти Case 689G (05-04) - STEERING HYDRAULICS, HOSES AND CLAMPS (05) - STEERING

Схема запчастей Case 689G - (05-04) - STEERING HYDRAULICS, HOSES AND CLAMPS (05) - STEERING
29
30
4
5
18
21
17
28
16
13
15
1
3
1
13
4
6
6
2
2
4
3
27
4
20
30
FIT
1:1
100%

Артикул

Название

Примечание

Количество

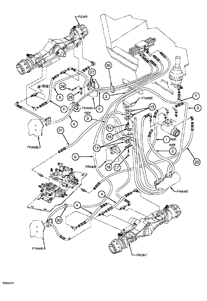
1

309259A1

HOSE

1219 mm (48 inch) long

1шт.

2

309254A1

HOSE

1727 mm (68 inch) long

1шт.

3

315205A1

HOSE ASSY.

3200 mm (126 inch) long

1шт.

4

309922A1

HOSE ASSY.

762 mm (30 inch) long

4шт.

5

309923A1

HOSE ASSY.

1473 mm (58 inch) long

1шт.

6

310138A1

HOSE ASSY.

2921 mm (115 inch) long

2шт.

13

310074A1

CLAMP

hose

8шт.

15

310079A1

BOLT

hex

1шт.

16

310077A1

WASHER

flat

1шт.

17

426-528

BOLT,Hex, 5/16" - 18 x 1-3/4", Gr 8

1шт.

18

310076A1

PLATE

cover

5шт.

20

309257A1

HOSE

2108 mm (83 inch) long

1шт.

21

310140A1

HOSE ASSY.

2565 mm (101 inch) long

1шт.

27

310034A1

CLAMP

hose

10шт.

28

310072A1

PLATE

cover

5шт.

29

426-424

BOLT,Hex, 1/4" - 20 x 1-1/2", Gr 8

hex, 1/4 NC x 1-1/2 inch, grade 8

10шт.

30

314799A1

FASTENER

STRAP tie

1шт.

Выбрано товаров: 0