Качественные детали и логистика
Оригинальные и аналоговые запчасти с доставкой по России, Казахстану и Беларуси
©2022 PartSell ООО "Система" ИНН 2463123282 ОГРН 1212400004838
Центральный офис: г. Красноярск, Академика Киренского, д.87, пом.4
Телефон: 8 (800) 777-65-74 Email: zakaz@partsell.ru
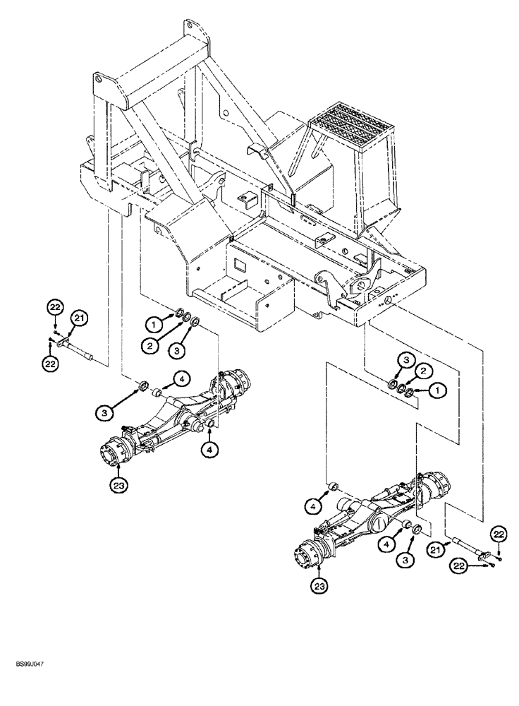
(06-10) - AXLE AND MOUNTING
№
Артикул
Название
Примечание
Количество
1
310351A1
SHIM
pivot pin mounting
10шт.
2
310354A1
20шт.
3
310249A1
THRUST WASHER
4шт.
4
310250A1
BUSHING
pivot pin
21
310340A1
AXLE PIN
pivot
2шт.
22
310371A1
BOLT
hex flange, 1/2 inch
23
309881A1
CENTER AXLE
ASSEMBLY drive, parts list Figures 6-16 - 6-26
Выбрано товаров: 0