Запчасти Case 689G (06-28) - DRIVE LINE MOUNTING (06) - POWER TRAIN

Схема запчастей Case 689G - (06-28) - DRIVE LINE MOUNTING (06) - POWER TRAIN
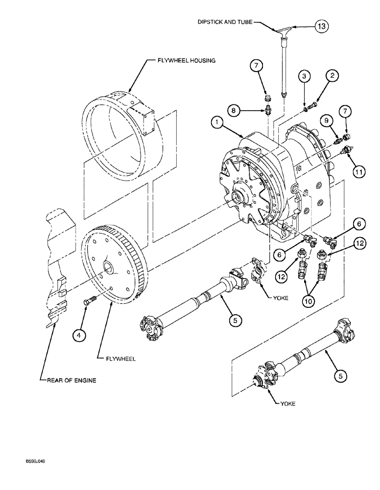
2
7
12
8
5
3
1
13
12
7
11
6
5
9
10
4
6
FIT
1:1
100%

Артикул

Название

Примечание

Количество

1

309882A1

TRANSMISSION

ASSEMBLY complete, parts list Figures 6-34 - 6-50

1шт.

2

814-10040

BOLT,Hex, M10 x 1.5 x 40mm, Cl 8.8

11шт.

3

310102A1

LOCK WASHER

11шт.

4

428-628

BOLT,Hex, 3/8" - 24 x 1-3/4", Gr 8

hex, 3/8 NF x 1- 3/4 inch, grade 8

8шт.

5

310071A1

DRIVE SHAFT

ASSEMBLY, parts list Figure 6-30

2шт.

6

218-5138

ELBOW,45 Degree Elbow, 1-1/16" - 12 Male JIC x 1-1/16" - 12 Male ORB

ELBOW 45°, 1-1/16-12 inch flare x adj O-ring boss

2шт.

7

218-752

CAP,37 Degree, 7/16"-20

hex, 7/16-20 inch

2шт.

8

218-5089

HYD CONNECTOR,7/16" - 20 Male JIC x 9/16" - 18 Male ORB

Straight, O-ring boss

1шт.

9

218-441

HYD CONNECTOR,7/16" - 20 Male JIC x 1/8" - 27 Male NPTF

straight, 7/16-20 flare x 1/8 inch PT

1шт.

10

218-5221

TEE,37 Degree, 1 1/16"-12 x 1 1/16"-12, Fem Sw Run

2шт.

11

309998A1

TEMPERATURE SENDER

transmission

1шт.

12

310038A1

ADAPTER

REDUCER hydraulic, straight

2шт.

13

310206A1

TUBE

dipstick

1шт.

Выбрано товаров: 13