Запчасти Case 689G (06-12) - AXLE LUBE AND LEVELING CYLINDER (08) - HYDRAULICS

Схема запчастей Case 689G - (06-12) - AXLE LUBE AND LEVELING CYLINDER (08) - HYDRAULICS
18
10
20
12
16
13
8
7
13
12
23
11
19
17
7
14
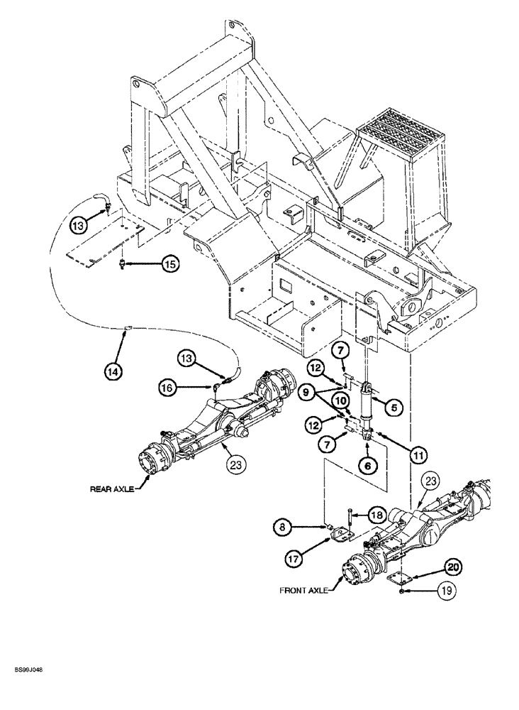
5
23
15
6
9
FIT
1:1
100%

Артикул

Название

Примечание

Количество

5

339093A1

CYLINDER

ASSEMBLY frame leveling, Includes: Ref. 5A, 5B and 5C

1шт.

5a

339094A1

VALVE, CHECK

2шт.

5b

316965A1

LOCK NUT

special

1шт.

5c

339096A1

SEAL KIT

seal

1шт.

6

314878A1

YOKE

UNIVERSAL JOINT YOKE rod end

1шт.

7

310381A1

PIN

clevis

2шт.

8

310073A1

BUSHING

anchor bracket

1шт.

9

310379A1

BRACKET

RETAINER clevis pin

2шт.

10

310373A1

BOLT

hex flange 1/2 NC x 2-1/4 inch

1шт.

11

310017A1

LOCK NUT

hex, 1/2 inch NC

1шт.

12

310371A1

BOLT

hex flange

2шт.

13

310292A1

FITTING

straight

2шт.

14

310276A1

HOSE

Axle Lube

1шт.

15

219-60

LUBE NIPPLE,1/8" - 27 Female NPTF

1шт.

16

217-1014

ELBOW,1/8" - 27 Female x 1/8" - 27 Male

Street

1шт.

17

310257A1

BRACKET

anchor

1шт.

18

426-12136

BOLT,Hex, 3/4" - 10 x 8-1/2", Gr 8

hex, 3/4 NC x 8-1/2 inch, grade 8

6шт.

19

231-41412

NUT,3/4"-10, GB

hex, 3/4 inch NC

6шт.

20

310259A1

PLATE

axle mounting

1шт.

23

309881A1

CENTER AXLE

ASSEMBLY drive, parts list Figures 6-16 - 6-26

2шт.

Выбрано товаров: 20