Качественные детали и логистика
Оригинальные и аналоговые запчасти с доставкой по России, Казахстану и Беларуси
©2022 PartSell ООО "Система" ИНН 2463123282 ОГРН 1212400004838
Центральный офис: г. Красноярск, Академика Киренского, д.87, пом.4
Телефон: 8 (800) 777-65-74 Email: zakaz@partsell.ru
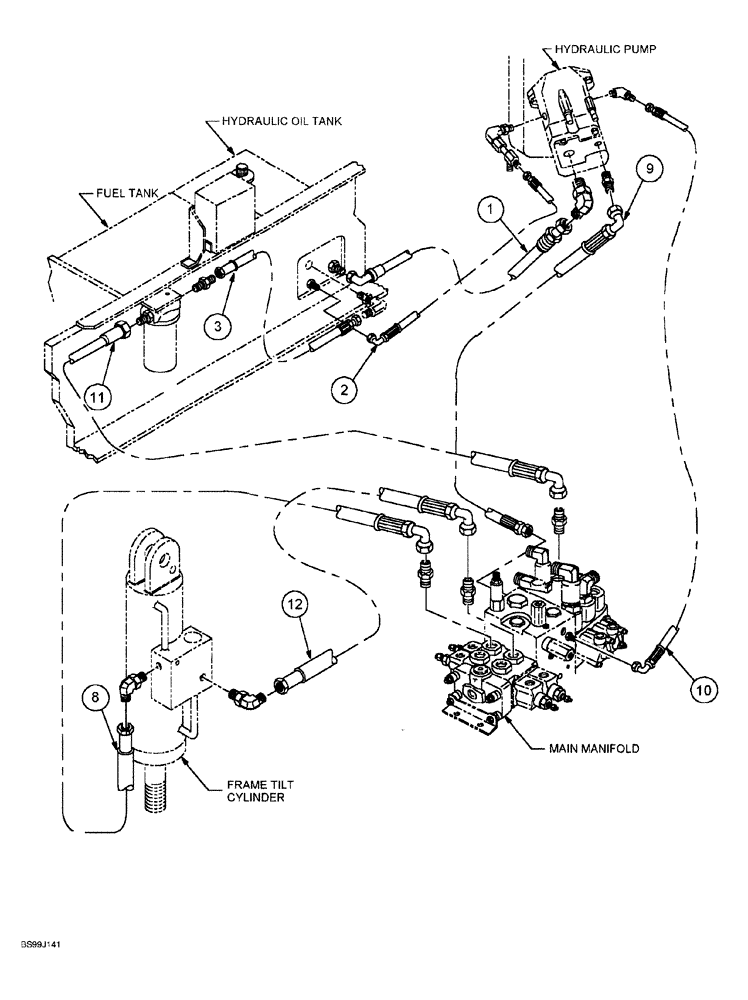
(08-08) - BASIC HYDRAULIC CIRCUIT HOSES
№
Артикул
Название
Примечание
Количество
1
310137A1
HOSE ASSY.
660 mm (26 inch) long
1шт.
2
310134A1
737 mm (29 inch) long
3
310129A1
521 mm (20 1/2 inch) long
8
REF
INSTRUCTION
1473 mm (58 inch) long
9
310131A1
889 mm (35 inch) long
10
309221A1
HOSE
1270 mm (50 inch) long
11
310128A1
1016 mm (40 inch) long
12
310142A1
1321 mm (52 inch) long
Выбрано товаров: 0