Запчасти Case 689G (08-16) - BOOM CYLINDER HYDRAULICS, SHEET METAL TO CYLINDERS (08) - HYDRAULICS

Схема запчастей Case 689G - (08-16) - BOOM CYLINDER HYDRAULICS, SHEET METAL TO CYLINDERS (08) - HYDRAULICS
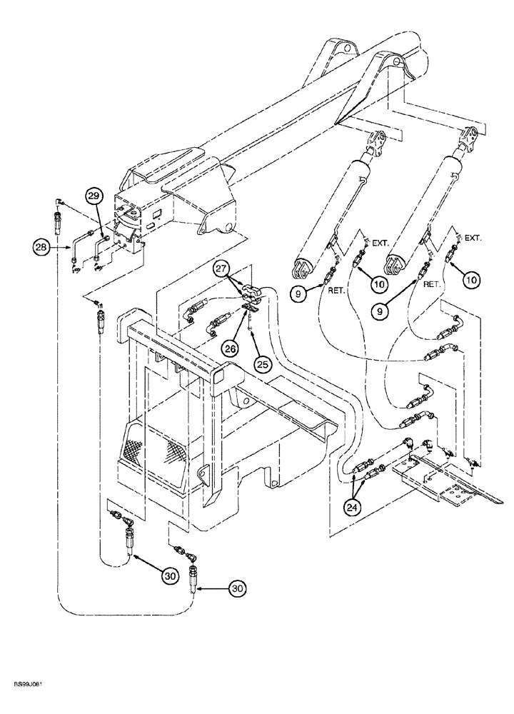
9
24
29
26
10
25
27
30
10
28
30
9
FIT
1:1
100%

Артикул

Название

Примечание

Количество

9

315234A1

HOSE ASSY.

1118 mm (44 inch) long

2шт.

10

315236A1

HOSE ASSY.

1029 mm (40-1/2 inch) long

2шт.

24

315248A1

HOSE ASSY.

1245 mm (49 inch) long

2шт.

25

426-540

BOLT,Hex, 5/16" - 18 x 2-1/2", Gr 8

hex, 5/16 NC x 2-1/2 inch, grade 8

1шт.

26

310044A1

PLATE

clamp support

1шт.

27

310042A1

CLAMP

hose, double

2шт.

28

313414A1

HYD TUBE

hydraulic

1шт.

29

314116A1

HYD TUBE

hydraulic

1шт.

30

315247A1

HOSE ASSY.

838 mm (33 inch) long, special

2шт.

Выбрано товаров: 9