Запчасти Case 689G (08-22) - JOYSTICK MOUNTING AND FITTINGS (08) - HYDRAULICS

Схема запчастей Case 689G - (08-22) - JOYSTICK MOUNTING AND FITTINGS (08) - HYDRAULICS
2
8
1
3
7
8
2
7
2
4
1
1
5
6
FIT
1:1
100%

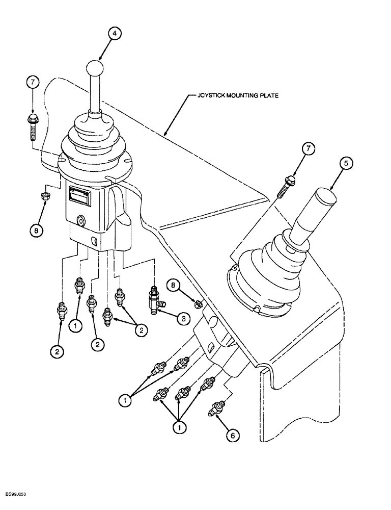
Артикул

Название

Примечание

Количество

1

309970A1

ADAPTER

straight

6шт.

2

218-5089

HYD CONNECTOR,7/16" - 20 Male JIC x 9/16" - 18 Male ORB

Straight, O-ring boss

4шт.

3

309989A1

TEE

hydraulic

1шт.

4

372402A1

CONTROL

VALVE ASSEMBLY control, joystick, parts list Figure 8-54

1шт.

5

309415A1

CONTROL

VALVE ASSEMBLY control, joystick, parts list Figure 8-56

1шт.

6

309979A1

ADAPTER

straight

1шт.

7

309935A1

BOLT

hex, self locking, 1/4 NC x 3/4 inch

8шт.

8

309941A1

LOCK NUT

hex, 1/4 inch NC

8шт.

Выбрано товаров: 8