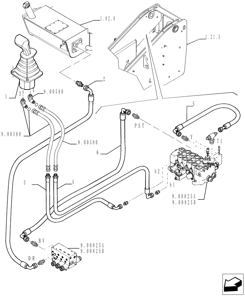
Запчасти Case TX1055 (1.10.3[01]) - MAIN HYDRAULIC CONTROL (35) - HYDRAULIC SYSTEMS

Схема запчастей Case TX1055 - (1.10.3[01]) - MAIN HYDRAULIC CONTROL (35) - HYDRAULIC SYSTEMS
t1
3
bv
y
9.00825a
4
9.00580
b2
1
2
6
9.00580
5
9.00825b
4
dr
9.00825a
1.82.0
3
b1
9.00580
9.00825b
pst
1.21.5
FIT
1:1
100%

Артикул

Название

Примечание

Количество

01

76091491

MANIPULATOR

1шт.

02

76094254

FLEXIBLE HOSE

1шт.

03

76092776

FLEXIBLE HOSE

1шт.

04

76092777

FLEXIBLE HOSE

1шт.

05

85823902

FLEXIBLE HOSE

1шт.

06

76094244

FLEXIBLE HOSE

1шт.

Выбрано товаров: 6