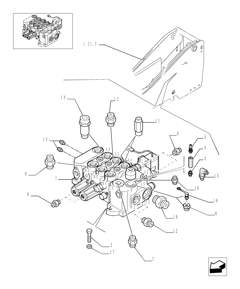
Запчасти Case TX1055 (9.00825B[01]) - 3 SPOOL VALVE - OPTIONAL CODE 749001091 (35) - HYDRAULIC SYSTEMS

Схема запчастей Case TX1055 - (9.00825B[01]) - 3 SPOOL VALVE - OPTIONAL CODE 749001091 (35) - HYDRAULIC SYSTEMS
p2
5
3
b1
14
p
1.21.5
a2
11
a3
t
8
2
8
7
17
12
6
16
13
1
t2
ls
15
b2
t1
9
18
a1
10
12
4
b3
FIT
1:1
100%

Артикул

Название

Примечание

Количество

1

87625940

VALVE

ASSY - SEE PAG.3 TO 8

1шт.

2

11106631

SCREW,Hex, M10 x 35mm, Cl 10.9, Full Thd

3шт.

3

76088189

FITTING

1шт.

4

76081890

HYDRAULIC VALVE

1шт.

5

85824157

TEE,7/16"-20 JIC x 7/16"-20 JIC x 1/4" BSPP

1шт.

6

85823878

PLUG

1шт.

7

85811134

HYD CONNECTOR

1шт.

8

85803312

HYD CONNECTOR,7/16"-20 JIC x 9/16"-18 ORB

4шт.

9

83962538

FITTING,1-3/16" - 12 ORFS x 1-1/16" - 12 ORB

1шт.

10

79098125

HYD CONNECTOR

1шт.

11

85824147

HYD CONNECTOR

2шт.

12

85803486

FITTING,1 7/16"-12 ORFS x 1 1/16"-12 ORB

2шт.

13

85824150

FITTING,7/16"-20 JIC x 1/8" BSPP

2шт.

14

85824148

HYD CONNECTOR

1шт.

15

85805220

ELBOW,90 Degree, 9/16"-18 x 9/16"-18 Adj, ORFS

1шт.

16

85802803

FITTING,9/16"-18 ORFS x 9/16"-18 ORB

1шт.

17

12626231

WASHER,10.2mm ID x 25mm OD x 3mm Thk

3шт.

18

76076056

QUICK MALE COUPLING

1шт.

Выбрано товаров: 18