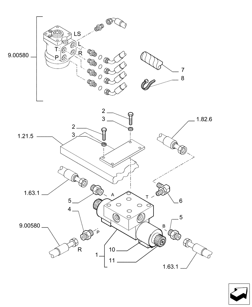
Запчасти Case TX1055 (1.63.0[01]) - STEERING SYSTEM (41) - STEERING

Схема запчастей Case TX1055 - (1.63.0[01]) - STEERING SYSTEM (41) - STEERING
1.63.1
ls
8
9.00580
11
7
l
1.82.6
p
4
a
10
3
6
2
5
p
b
t
1
r
5
9.00580
1.21.5
r
1.63.1
3
t
2
FIT
1:1
100%

Артикул

Название

Примечание

Количество

1

87313463

HYDRAULIC VALVE

1шт.

2

16044131

BOLT,Hex, M8 x 45mm, Cl 10.9

4шт.

3

14496531

WASHER,8.4mm ID x 17mm OD x 1.6mm Thk

8X21

4шт.

4

83963371

FITTING,11/16"-16 ORFS x 9/16"-18 ORB

1шт.

5

85815614

FITTING,11/16"-16 ORS x 9/16"-18, O-Ring

2шт.

6

83961741

90 ELBOW,11/16"-16 ORFS x 9/16"-18 ORB

1шт.

7

84189598

SHIELD

4шт.

8

79013422

CABLE TIE,145mm L

CABLE STRAP

1шт.

10

84230594

COIL

2шт.

11

84230596

KIT

2шт.

Выбрано товаров: 10