Качественные детали и логистика
Оригинальные и аналоговые запчасти с доставкой по России, Казахстану и Беларуси
©2022 PartSell ООО "Система" ИНН 2463123282 ОГРН 1212400004838
Центральный офис: г. Красноярск, Академика Киренского, д.87, пом.4
Телефон: 8 (800) 777-65-74 Email: zakaz@partsell.ru
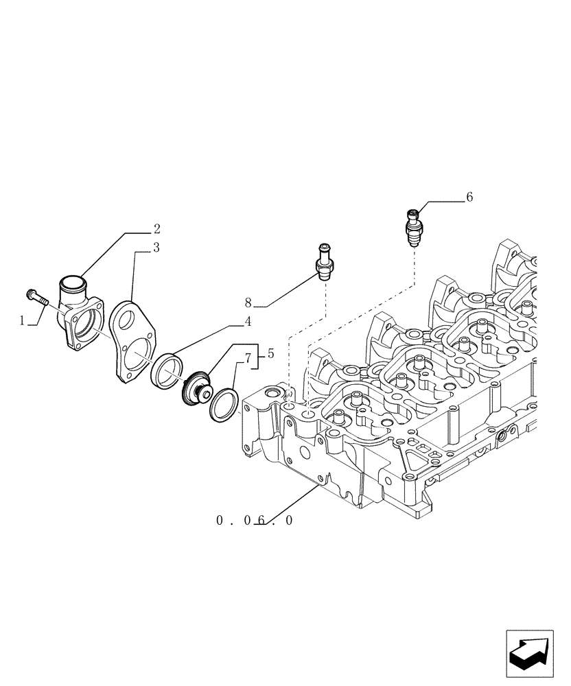
(0.32.6[01]) - THERMOSTAT - ENGINE COOLING SYSTEM
№
Артикул
Название
Примечание
Количество
1
4899091
SCREW,Hex Flange Cap, M8 x 1.25 x 40.00mm
3шт.
2
87803567
HOUSING
1шт.
3
2853445
BRACKET
4
2853133
GASKET,51.5mm ID x 61.5mm OD x 16.5mm Thk
5
2854355
THERMOSTAT,81 Degrees C
- Assy, OD=60.8mm
6
2852157
SENSOR
7
2852473
GASKET,53.62mm ID x 59.72mm OD x 4.01mm Thk
8
2853761
NIPPLE
Выбрано товаров: 0