Запчасти Case TX1055 (1.17.0[05]) - ENGINE COOLING (10) - ENGINE

Схема запчастей Case TX1055 - (1.17.0[05]) - ENGINE COOLING (10) - ENGINE
9-11
11
1
16
12-13
-
-
2
3
14
9-14
5
1
6
7
9
9-10
4
10
8
12
FIT
1:1
100%

Артикул

Название

Примечание

Количество

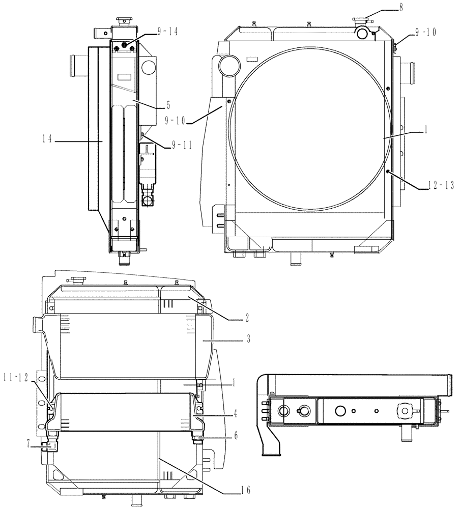
1

87478697

RADIATOR

1шт.

2

76094410

OIL COOLER

1шт.

3

87518630

AFTERCOOLER

1шт.

4

76094412

OIL COOLER

1шт.

5

87518631

FRAME

1шт.

6

79098125

HYD CONNECTOR

1шт.

7

79094140

90 ELBOW,1 7/16"-12 ORFS x 1 5/16"-12 ORB

1шт.

8

76094414

RADIATOR CAP

1шт.

9

16100821

NUT,M8, Cl 10

11шт.

10

14496531

WASHER,8.4mm ID x 17mm OD x 1.6mm Thk

2шт.

11

12647001

WASHER,M8 x 25 x 2.5

5шт.

12

15896221

NUT,Hex, M6, 5.20mm High, Cl 10

4шт.

13

14496431

WASHER,6.4mm ID x 12.5mm OD x 1.6mm Thk

4шт.

14

12645031

WASHER,8.45mm ID x 21mm OD x 3mm Thk

4шт.

15

87518634

SHROUD

- not illustrated

1шт.

16

87518635

KIT

1шт.

Выбрано товаров: 16