Запчасти Case TX742 (9.08405[01]) - 4 SPOOL VALVE - OPTIONAL CODE 749002121 - VERSION (02) (35) - HYDRAULIC SYSTEMS

Схема запчастей Case TX742 - (9.08405[01]) - 4 SPOOL VALVE - OPTIONAL CODE 749002121 - VERSION (02) (35) - HYDRAULIC SYSTEMS
2
11
30
15
12
15
12
6
14
11
27
5
1.21.5
26
1.21.5/a
pag.2
9
1
3
24
4
22
13
FIT
1:1
100%

Артикул

Название

Примечание

Количество

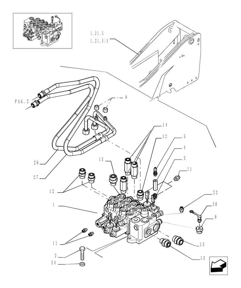
1

87625941

VALVE

ASSY.- SEE PAG. 3

1шт.

FOR OTHER PARTS,SEE SGR.9.00825A

1шт.

2

11106631

SCREW,Hex, M10 x 35mm, Cl 10.9, Full Thd

3шт.

6

9625546

CAP,11/16" - 16 ORFS

2шт.

9

85823878

PLUG

1шт.

11

85803312

HYD CONNECTOR,7/16"-20 JIC x 9/16"-18 ORB

4шт.

12

83962538

FITTING,1-3/16" - 12 ORFS x 1-1/16" - 12 ORB

3шт.

13

79098125

HYD CONNECTOR

1шт.

14

85824147

HYD CONNECTOR

2шт.

15

85803486

FITTING,1 7/16"-12 ORFS x 1 1/16"-12 ORB

2шт.

16

85824150

FITTING,7/16"-20 JIC x 1/8" BSPP

2шт.

22

85802803

FITTING,9/16"-18 ORFS x 9/16"-18 ORB

1шт.

24

12626231

WASHER,10.2mm ID x 25mm OD x 3mm Thk

3шт.

26

87613611

PIPE

1шт.

27

87613612

PIPE

1шт.

30

76076056

QUICK MALE COUPLING

1шт.

Выбрано товаров: 16