Запчасти Case TX742 (1.75.2[01]) - ELECTRIC COMPONENTS (55) - ELECTRICAL SYSTEMS

Схема запчастей Case TX742 - (1.75.2[01]) - ELECTRIC COMPONENTS (55) - ELECTRICAL SYSTEMS
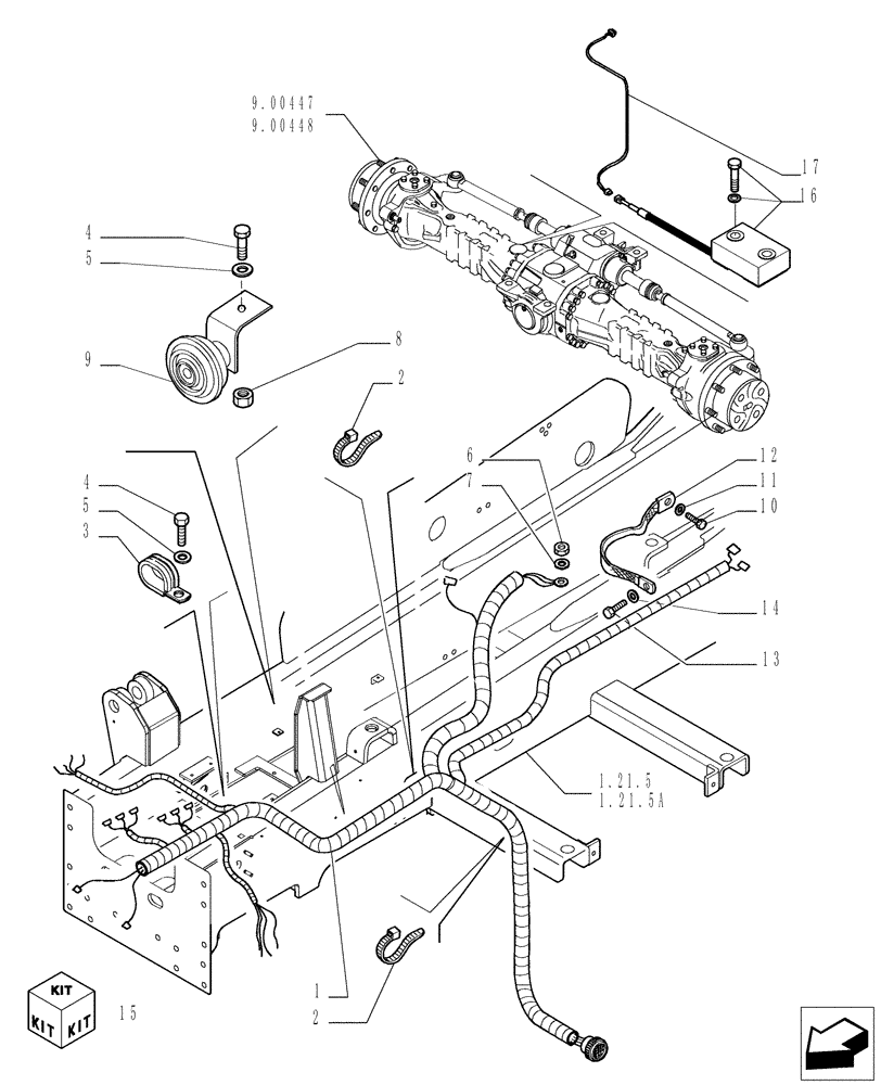
1.21.5a
14
3
15
9.00447
1.21.5
7
9.00448
4
6
5
5
9
10
8
2
17
11
2
16
1
13
4
12
FIT
1:1
100%

Артикул

Название

Примечание

Количество

1

87518728

HARNESS

FRONT VERSION (02) TX742

1шт.

1

87519496

HARNESS

FRONT VERSION (03/04) TX842,TX945

1шт.

2

4982514

CABLE TIE,188mm L

CABLE STRAP

1шт.

3

10450490

CLAMP,16mm, Coat, 9mm Bolt Hole, P Type

1шт.

4

16043631

SCREW,Hex, M8 x 25mm, Cl 10.9, Full Thd

2шт.

5

12643701

WASHER,6.15mm ID x 18mm OD x 1.5mm Thk

8X21

2шт.

6

11701721

NUT,M10, Cl 10

1шт.

7

14496731

WASHER,M12 x 24 x 2.5 Thk

1шт.

8

16100821

NUT,M8, Cl 10

1шт.

10

15970531

BOLT,Hex, M10 x 1.25 x 20mm, Cl 10.9, Full Thd

1шт.

11

12626231

WASHER,10.2mm ID x 25mm OD x 3mm Thk

1шт.

13

11112231

SCREW,Hex, M12 x 1.75 x 25mm, Cl 10.9, Full Thd

1шт.

14

14496731

WASHER,M12 x 24 x 2.5 Thk

1шт.

15

84372880

KIT

CHASSIS

1шт.

16

76091286

SENSOR,w/2 Pins

, Years: -28-SEP-10

1шт.

16

84372804

SENSOR,Load Cell, w/3 Pins

, Start Year: 29-SEP-10

1шт.

KIT - 84372880

1шт.

17

84364480

HARNESS

1шт.

KIT - 84372880

1шт.

Выбрано товаров: 19