Качественные детали и логистика
Оригинальные и аналоговые запчасти с доставкой по России, Казахстану и Беларуси
©2022 PartSell ООО "Система" ИНН 2463123282 ОГРН 1212400004838
Центральный офис: г. Красноярск, Академика Киренского, д.87, пом.4
Телефон: 8 (800) 777-65-74 Email: zakaz@partsell.ru
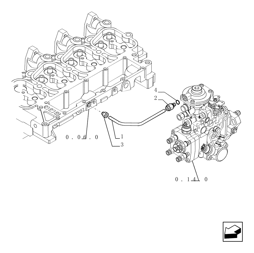
(0.14.6[01]) - INJECTION EQUIPMENT - PIPING
№
Артикул
Название
Примечание
Количество
1
2852059
TUBE
1шт.
2
4893518
TUBE,M8 x 1 x 29.5 L
3
4896770
TUBE NUT,M10 x 1
4
2852057
SEALING WASHER,M8 x 12 x 1 Thk
Выбрано товаров: 0