Запчасти Case TX842 (9.00581[13]) - ROPS CANOPY - COMPONENTS - OPTIONAL CODE 749260031 (90) - PLATFORM, CAB, BODYWORK AND DECALS

Схема запчастей Case TX842 - (9.00581[13]) - ROPS CANOPY - COMPONENTS - OPTIONAL CODE 749260031 (90) - PLATFORM, CAB, BODYWORK AND DECALS
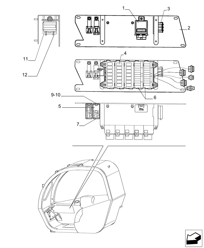
9-10
7
11
3
1
4
2
12
6
5
FIT
1:1
100%

Артикул

Название

Примечание

Количество

1

87628042

DIODE

1шт.

2

87621452

PLATE

1шт.

3

87616204

BOX

1шт.

4

76089595

RELAY,Micro, 12V, W/ Diode

19шт.

5

85805162

RELAY,12V, 70A

1шт.

6

87717079

FUSE,7.5A

6шт.

6

84090658

FUSE,Lt Blue, 15 Amp

6шт.

6

9811773

FUSE,10A, Micro, Red

7шт.

6

86503942

FUSE,3A, Micro

2шт.

6

87693742

FUSE,5A

4шт.

7

72274965

RELAY,12V, 70 Amp

RELAY PARKING BRAKE

1шт.

8

87335216

FLASHER UNIT

- Not Illustrated

1шт.

9

12575411

LOCK NUT,M6 x 1, Cl 8

10шт.

10

14496431

WASHER,6.4mm ID x 12.5mm OD x 1.6mm Thk

8шт.

11

87665827

1шт.

12

87628041

6шт.

Выбрано товаров: 16