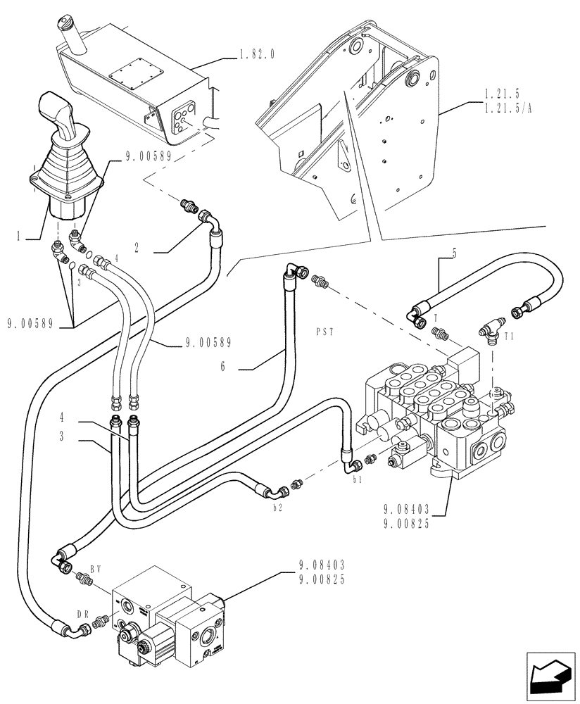
Запчасти Case TX945 (1.10.3A[01]) - MAIN HYDRAULIC CONTROL - VERSION (03-04) (35) - HYDRAULIC SYSTEMS

Схема запчастей Case TX945 - (1.10.3A[01]) - MAIN HYDRAULIC CONTROL - VERSION (03-04) (35) - HYDRAULIC SYSTEMS
bv
3
t1
1.21.5
b1
4
pst
5
9.08403
6
1
9.08403
t
4
2
b2
1.82.0
9.00589
1.21.5/a
dr
9.00825
9.00589
9.00825
3
9.00589
FIT
1:1
100%

Артикул

Название

Примечание

Количество

01

76091491

MANIPULATOR

1шт.

02

76094254

FLEXIBLE HOSE

1шт.

03

76092776

FLEXIBLE HOSE

1шт.

04

76092777

FLEXIBLE HOSE

1шт.

05

85823902

FLEXIBLE HOSE

1шт.

06

76094244

FLEXIBLE HOSE

1шт.

Выбрано товаров: 6