Запчасти Case 475 (056) - ELECTRICAL SYSTEM (55) - ELECTRICAL SYSTEMS

Схема запчастей Case 475 - (056) - ELECTRICAL SYSTEM (55) - ELECTRICAL SYSTEMS
FIT
1:1
100%

Артикул

Название

Примечание

Количество

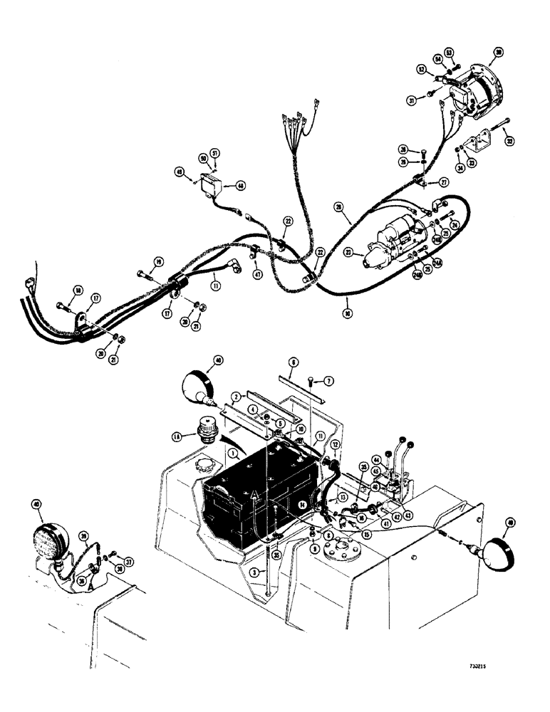
1

D44178

DRY BATTERY

BATTERY - 12 volt

1шт.

1a

R30819

CYLINDER END CAP

SPARE PART CAP - battery, non-spill

6шт.

2

D44204

RETAINER

BRACKET - battery holddown

2шт.

3

R21737

BOLT

ROD - battery holddown

4шт.

4

195-21

WASHER,5/16"

WASHER - plain () 5/16"

4шт.

5

131-4

LOCK NUT,5/16"-18, GB

NUT - hex., lock (5/16" - 18 NC)

4шт.

6

D44203

RETAINER

ANGLE - battery retainer

1шт.

7

13-614

BOLT,Hex, 3/8" - 16 x 7/8", Gr 5, Full Thd

BOLT, Hex, 3/8"-16 x 7/8", G5, Full Thd

2шт.

8

92-6

LOCK WASHER,3/8"

LOCK WASHER, 3/8"

2шт.

9

25-106

NUT,3/8"-16, G5

NUT - hex. (3/8" - 16 NC)

2шт.

10

R24358

CABLE PULLING GRIP

CABLE - battery, positive (Hot)

1шт.

11

R24357

CABLE

CABLE - battery, negative (Ground)

1шт.

12

D35078

GROMMET,1 1/2" ID x 1 3/4" Groove Dia

GROMMET - battery cable

1шт.

13

D34980

CLAMP

CLAMP - battery cable

1шт.

14

515-2348

CLAMP,4.8mm ID, 10.3mm Bolt Hole, P Type

CLAMP - wiring, lights

1шт.

15

14-68

BOLT,Hex, 3/8" - 24 x 1/2", Gr 5

HHCS - 3/8" - 24 NF x 1/2"

1шт.

16

92-6

LOCK WASHER,3/8"

LOCK WASHER, 3/8"

1шт.

17

D43364

CLAMP

CLAMP - battery cable

2шт.

18

13-820

BOLT,Hex, 1/2" - 13 x 1-1/4", Gr 5, Full Thd

BOLT, , Rear clamp Hex, 1/2"-13 x 1 1/4", G5, Full Thd

1шт.

19

13-824

BOLT,Hex, 1/2" - 13 x 1-1/2", Gr 5, Full Thd

BOLT, (Front clamp) Hex, 1/2"-13 x 1 1/2", G5, Full Thd

1шт.

20

92-8

LOCK WASHER,1/2"

LOCK WASHER, 1/2"

2шт.

21

25-108

NUT,1/2"-13, G5

NUT - hex. (1/2" - 13 NC)

2шт.

22

49839

CLAMP

CLAMP - battery cable, positive

2шт.

23

A59217

STARTER MOTOR

STARTER - engine, Delco Remy #1113689 production only (Parts list Fig. 42)

1шт.

23

L52632

STARTER MOTOR

STARTER - engine, Delco Remy #1113404 (Production only)

1шт.

23

A64907

ELECTRIC MOTOR

STARTER - engine, Delco Remy #1113399 service replacement (Parts list Fig. 40)

1шт.

23

104212A2R

REMAN-STARTER

Remanufactured Starter

1шт.

23

104212A1C

CORE-STARTER

Return Part Number

1шт.

23

L47632

SPARE PART STARTER - engine, Delco Remy #1113699 (Production only)

1шт.

24

13-852

BOLT,Hex, 1/2" - 13 x 3-1/4", Gr 5

BOLT, Hex, 1/2"-13 x 3 1/4", G5

1шт.

24a

13-824

BOLT,Hex, 1/2" - 13 x 1-1/2", Gr 5, Full Thd

BOLT, Hex, 1/2"-13 x 1 1/2", G5, Full Thd

2шт.

24b

R24323

WASHER

WASHER - special

3шт.

25

92-8

LOCK WASHER,1/2"

LOCK WASHER, 1/2"

3шт.

26

R24820

HARNESS

HARNESS - electrical wiring

1шт.

27

49838

CLAMP

CLAMP - harness

1шт.

28

13-68

SCREW,Hex, 3/8" - 16 x 1/2", Gr 5

HHCS - 3/8" - 16 NC x 1/2"

1шт.

29

92-6

LOCK WASHER,3/8"

LOCK WASHER, 3/8"

1шт.

30

A41340

ALTERNATOR

ALTERNATOR - parts list Fig. 38

1шт.

30

104022A1R

REMAN-ALTERNATOR

Remanufactured 12 Volt, 55 Amp Alternator

1шт.

30

104022A1C

CORE-ALTERNATOR

Return Part Number

1шт.

31

193-514

SCREW,SEMS, Hex Hd, 5/16"-18 x 3/4"

BOLT AND WASHER ASSEMBLY - complete, special

1шт.

32

13-652

BOLT,Hex, 3/8" - 16 x 3-1/4", Gr 5

HHCS - 3/8" - 16 NC x 3-1/4"

1шт.

33

92-6

LOCK WASHER,3/8"

LOCK WASHER, 3/8"

1шт.

34

129-103

NUT,Hex, 3/8" - 16, Gr 5

NUT, 3/8"-16, G5

1шт.

35

49832

CLAMP

CLAMP - wire, taillight and starter switch

2шт.

36

515-2348

CLAMP,4.8mm ID, 10.3mm Bolt Hole, P Type

CLAMP - wire, taillight

1шт.

37

14-68

BOLT,Hex, 3/8" - 24 x 1/2", Gr 5

HHCS - 3/8" - 24 NF x 1/2"

1шт.

38

92-6

LOCK WASHER,3/8"

LOCK WASHER, 3/8"

1шт.

39

D34933

LOOM

LOOM - taillight

1шт.

40

D34934

LAMP

LIGHTS - tail and head (Parts list Fig. 58)

3шт.

41

D35078

GROMMET,1 1/2" ID x 1 3/4" Groove Dia

GROMMET - starter wire

1шт.

42

D51991

CABLE PULLING GRIP

WIRE - starter switch

1шт.

43

D34924

SWITCH

SWITCH - starter

1шт.

44

13-612

BOLT,Hex, 3/8" - 16 x 3/4", Gr 5, Full Thd

BOLT, Hex, 3/8"-16 x 3/4", G5, Full Thd

1шт.

45

92-6

LOCK WASHER,3/8"

LOCK WASHER, 3/8"

1шт.

46

D34923

BRACKET

BRACKET - switch mounting

1шт.

47

D20302

CLAMP,7/8", Insul, 3/8" Bolt

CLAMP - harness, to instrument panel

1шт.

48

L11351

REGULATOR

SPARE PART REGULATOR - voltage, 12 v.

1шт.

49

13-412

BOLT,Hex, 1/4" - 20 x 3/4", Gr 5, Full Thd

BOLT, Hex, 1/4"-20 x 3/4", G5, Full Thd

3шт.

50

92-4

LOCK WASHER,1/4"

WASHER, LOCK, 1/4"

3шт.

51

25-224

SQUARE NUT,Sq, 1/4"-20

NUT - hex., 1/4" - 20 NC

3шт.

52

L41455

STRAP

STRAP - alternator adjusting

1шт.

53

13-614

BOLT,Hex, 3/8" - 16 x 7/8", Gr 5, Full Thd

BOLT, Hex, 3/8"-16 x 7/8", G5, Full Thd

1шт.

54

92-6

LOCK WASHER,3/8"

LOCK WASHER, 3/8"

1шт.

Выбрано товаров: 0